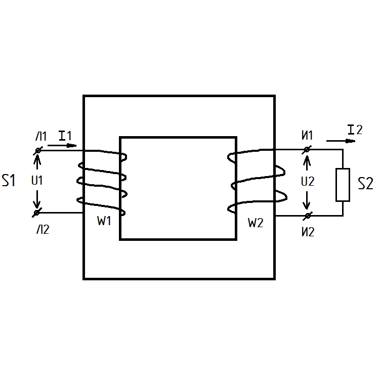
Первичные и вторичные обмотки трансформаторов
15 декабря 2025
Высоковольтный изолятор: назначение, устройство и типы
11 ноября 2025
Замена масляных выключателей на элегазовые
11 ноября 2025
Динамическая стабилизация напряжения (DVR)
28 октября 2025
Замена масляных выключателей на вакуумные
28 октября 2025
Динамические компенсаторы искажения напряжения (ДКИН)
08 октября 2025
Устройства компенсации реактивной мощности (УКРМ)
08 октября 2025
Распределительные устройства
24 июня 2025
Реакторы 6-10 кВ
12 февраля 2025
КРУН 6-10 кВ
12 февраля 2025
АВР и БАВР для РУ-6(10) кВ
13 января 2025
Высоковольтные выключатели
31 октября 2024
Низковольтные комплектные устройства НКУ. Типы и устройство.
23 сентября 2024
ОПУ и ГРЩ в составе ПС
11 сентября 2024
Классы точности трансформаторов
18 июля 2024
Коэффициент трансформации трансформатора
18 июля 2024
Композитный реактор
26 июня 2024
Элегазовые высоковольтные трансформаторы тока
24 декабря 2024
Разъединители высоковольтные
23 апреля 2024
Элегазовые колонковые силовые высоковольтные выключатели
19 апреля 2024
Устройства продольной и поперечной компенсации
13 февраля 2024
Последовательные реакторы
13 февраля 2024
Релейная защита и автоматика РЗА
26 октября 2023
Компенсация реактивной мощности. УКРМ
27 июля 2023
Качество электрической энергии
20 июля 2023
Принцип работы вакуумного выключателя
05 июня 2023
Изоляция силовых и измерительных трансформаторов тока
19 апреля 2023
Выбор трансформаторов тока
19 апреля 2023
Трансформаторы тока и их эксплуатация
19 апреля 2023
Первичная обмотка силового трансформатора
19 апреля 2023
Принцип работы силового трансформатора
19 апреля 2023
Принцип работы токоограничивающего реактора
07 марта 2023
Устройство измерительных трансформаторов тока
31 августа 2022
Устройство масляного трансформатора
30 августа 2022
Устройство автотрансформатора
16 февраля 2022
Устройство измерительных трансформаторов напряжения
30 августа 2021
Требования к измерительным трансформаторам
30 августа 2021
Типы измерительных трансформаторов
30 августа 2021
Работа шунтирующего реактора
30 августа 2021
Поверка измерительных трансформаторов
30 августа 2021


























































