Трансформаторы используются для преобразования и распределения электрической энергии от станций, производящих электроэнергию посредством высоковольтных линий электропередач, до потребителей электроэнергии. Кроме того, трансформаторы используются в промышленности, обеспечивая питание оборудования, различной техники, и в быту — это неотъемлемый компонент различных электрических устройств (персональных компьютеров, телевизоров, зарядных устройств).
Принцип работы
Трансформатор состоит из корпуса, сердечника, выполненного из электротехнической стали и расположенных на нем обмоток (двух или более), не связанных между собой электрически (рис. 1).

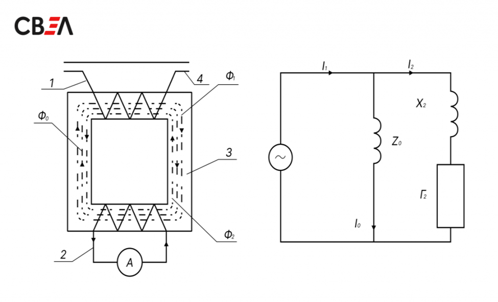
Рис. 1. Принципиальная схема трансформатора тока: 1 — первичная обмотка; 2 — вторичная обмотка; 3 — магнитопровод; 4 — рассечка магнитопровода.
Обмотка представляет собой витки изолированных медных или алюминиевых проводов, объединенных в электрическую сеть. В качестве изоляции используется лак или эмаль. Используется также разделительный слой из бумаги, лакированной ткани, полимерных материалов.
Принцип работы обмоток трансформатора основан на законе электромагнитной индукции, названный в честь физика Майкла Фарадея.
Для создания электромагнитного поля на обе обмотки необходима подача переменного тока. При этом происходит взаимодействие электромагнитного поля с электрической цепью, в катушках создается выходное напряжение необходимого значения.
Важную роль играет соотношение витков между обеими обмотками. Металлический сердечник усиливает создаваемое электромагнитное поле. Для уменьшения потока рассеяния, чаще всего используется для создания обмоток один стержень сердечника.
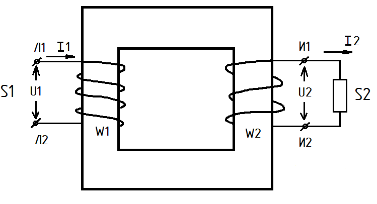
Чаще всего используются два вида обмоток — первичная и вторичная.
Что такое первичная обмотка трансформатора
Первичная обмотка принимает на себя переменное напряжение из подводящей электрической сети. Это первый этап работы трансформатора. При этом создается электромагнитное поле – оно индуцирует напряжение в электрической цепи вторичной обмотки.
На первичной обмотке размещаются отводы регулировки напряжения, которые подстраиваются под входящее напряжение, если оно немного отличается от номинального значения трансформатора.
Кабели, выполненные из алюминия или меди, имеют присоединение выводов ответвлений на обмотке к устройству переключения ответвлений и являются окончанием обмотки на соответствующем трансформаторном вводе. Первичная обмотка представляет собой внешнюю секцию катушки.
Что такое вторичная обмотка трансформатора
Вторичная обмотка получает напряжение от первичной обмотки, выполняет функцию понижения или повышения входного напряжения и передает электроэнергию потребителю – промышленным, коммерческим предприятиям, комплексам жилой и общественной застройки. В случае распределительных понижающих трансформаторов на вторичной обмотке создается более низкое напряжение.
Вторичная обмотка располагается ближе всего к сердечнику, нуждается в меньшей изоляции. При помощи кабелей или шин выводы обмотки соединяются с вторичными вводами трансформатора.
Количество витков
Количество витков в обмотке трансформатора, соотношение витков первичной и вторичной обмоток определяют величину напряжения.
Для увеличения выходного напряжения по сравнению со входящим, количество витков во вторичной обмотке должно быть больше, чем в первичной, и наоборот — для понижения выходного напряжения количество витков вторичной обмотки существенно меньше, чем на первичной.
От внешнего источника на первичную обмотку подается напряжение. По ней же протекает переменный ток I1 намагничивания (рис. 2). В магнитопроводе возникает переменный магнитный поток за счет электромагнитной индукции, которая создает электродвижущую силу (ЭДС) индукции в обмотке. ЭДС индукции во вторичной обмотке приводит к протеканию тока I2 в ней.

Рис. 2. Условная схема трансформатора
Схемы соединения обмоток трансформаторов
«Звезда» или «звезда с нулём». В этой схеме концы обмоток соединяются вместе, а к потребителю подаются три фазы. Из вывода соединений концов обмоток выводится нейтральный (нулевой) провод.
«Треугольник» — в этом случае используется последовательное соединение обмоток.
«Зигзаг» или «зигзаг с нулём» — в каждой фазной обмотке две одинаковые части размещаются на разных стержнях магнитопровода, соединение последовательное встречное. Полученные три фазные обмотки соединяются в общей точке аналогично «звезде».
Выбор схемы соединения обмоток зависит от схемы питания и мощности трансформатора, уровня напряжения, асимметрии нагрузки и других факторов.
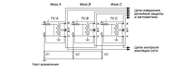
Пример схемы соединения трансформаторов напряжения
Трехфазная группа 3×ЗНОЛП-СВЭЛ-6(10) хорошо иллюстрирует схемы соединения устройств. Условно обозначается следующим образом: У/Ун-0.

Рис. 3. Принципиальная схема соединения 3×ЗНОЛП-СВЭЛ-6(10)
Как видно на рис. 3, первичная и основная вторичная обмотки соединяются по схеме «звезда» с нейтралью, а дополнительная вторичная — по схеме открытого «треугольника».
__CMYK.png)

