Предисловие
1 РАЗРАБОТАН Акционерным обществом «Системный оператор Единой энергетической системы» (АО «СО ЕЭС»)
2 ВНЕСЕН Техническим комитетом по стандартизации ТК 016 «Электроэнергетика»
3 УТВЕРЖДЕН И ВВЕДЕН В ДЕЙСТВИЕ Приказом Федерального агентства по техническому регулированию и метрологии от 29 декабря 2022 г. № 1682-ст
4 ВВЕДЕН ВПЕРВЫЕ
Правила применения настоящего стандарта установлены в статье 26 Федерального закона от 29 июня 2015 г. № 162-ФЗ «О стандартизации в Российской Федерации». Информация об изменениях к настоящему стандарту публикуется в ежегодном (по состоянию на 1 января текущего года) информационном указателе «Национальные стандарты», а официальный текст изменений и поправок — в ежемесячном информационном указателе «Национальные стандарты». В случае пересмотра (замены) или отмены настоящего стандарта соответствующее уведомление будет опубликовано в ближайшем выпуске ежемесячного информационного указателя «Национальные стандарты». Соответствующая информация, уведомление и тексты размещаются также в информационной системе общего пользования — на официальном сайте Федерального агентства по техническому регулированию и метрологии в сети Интернет (www.rst.gov.ru)
Введение
Положения настоящего стандарта направлены на обеспечение выполнения требований правил (пункт 128 [1]), в соответствии с которыми технические характеристики трансформаторов тока и подключенных к ним устройств релейной защиты в совокупности должны обеспечивать правильную работу устройств релейной защиты в переходных режимах, сопровождающихся насыщением трансформаторов тока.
Дата введения — 2023-02-011
1 Область применения
1.1 Настоящий стандарт устанавливает:
- основные требования к работе микропроцессорных устройств релейной защиты и автоматики (РЗА), реализующих функции дифференциально-фазной защиты, дифференциальной защиты, направленной высокочастотной защиты, телеускоряемых и первых ступеней дистанционной защиты, токовой направленной защиты нулевой последовательности линий электропередачи классом напряжения 110 кВ и выше (далее - быстродействующие защиты ЛЭП 110 кВ и выше) в переходных режимах, сопровождающихся насыщением трансформаторов тока;
- требования к составу информации, определяющей работу быстродействующих защит ЛЭП 110 кВ и выше в переходных режимах, сопровождающихся насыщением трансформаторов тока, которая должна содержаться в технической документации на быстродействующие защиты ЛЭП 110 кВ и выше;
- порядок и методику проведения испытаний быстродействующих защит ЛЭП 110 кВ и выше для проверки их соответствия требованиям к работе в переходных режимах, сопровождающихся насыщением трансформаторов тока.
1.2 Требования настоящего стандарта распространяются на организации, осуществляющие деятельность по разработке, изготовлению, созданию, модернизации устройств РЗА, разработке алгоритмов функционирования устройств РЗА, системного оператора и субъектов оперативно-диспетчерского управления в электроэнергетике в технологически изолированных территориальных электроэнергетических системах, субъектов электроэнергетики и потребителей электрической энергии, владеющих на праве собственности или ином законном основании объектами по производству электрической энергии, объектами электросетевого хозяйства и (или) энергопринимающими установками, входящими в состав электроэнергетической системы или присоединяемыми к ней, проектные и научно-исследовательские организации.
1.3 Требования настоящего стандарта следует учитывать при подготовке, согласовании и выполнении технических условий на технологическое присоединение объектов электроэнергетики к электрическим сетям, строительстве, реконструкции, модернизации и техническом перевооружении объектов электроэнергетики, создании (модернизации) устройств и комплексов РЗА, проведении испытаний микропроцессорных устройств РЗА.
1.4 Требования настоящего стандарта распространяются на быстродействующие защиты ЛЭП 110 кВ и выше, планируемые к установке на объектах электроэнергетики, а также на существующие быстродействующие защиты ЛЭП 110 кВ и выше в случаях, указанных в 1.5, абзац четвертый.
1.5 Требования настоящего стандарта не распространяются (за исключением случаев, указанных в четвертом абзаце) на быстродействующие защиты ЛЭП 110 кВ и выше в том случае, если такие устройства:
- установлены на объектах электроэнергетики до вступления в силу настоящего стандарта;
- подлежат установке на объектах электроэнергетики в соответствии с проектной (рабочей) документацией на создание (модернизацию) устройств РЗА, согласованной и утвержденной в установленном порядке до вступления в силу настоящего стандарта.
Для указанных устройств быстродействующих защит ЛЭП 110 кВ и выше выполнение требований настоящего стандарта должно быть обеспечено при их модернизации (в случае технической возможности) посредством установки версии алгоритма функционирования, прошедшей испытания и проверку на соответствие требованиям настоящего стандарта, или при замене быстродействующих защит ЛЭП 110 кВ и выше.
1.6 Настоящий стандарт не устанавливает требований к аналоговым и дискретным входам (выходам), электромагнитной совместимости, к изоляции заявленных условий эксплуатации, оценке выполнения требований пожарной безопасности, к электробезопасности, информационной безопасности и на соответствие иным функциональным требованиям, не установленным настоящим стандартом, а также требований к объемам сервисного обслуживания, объему заводских проверок, оперативному и техническому обслуживанию устройств быстродействующих защит ЛЭП 110 кВ и выше.
2 Нормативные ссылки
В настоящем стандарте использованы нормативные ссылки на следующие стандарты:
ГОСТ Р 58669 Единая энергетическая система и изолированно работающие энергосистемы. Релейная защита. Трансформаторы тока измерительные индуктивные с замкнутым магнитопроводом для защиты. Методические указания по определению времени до насыщения при коротких замыканиях
ГОСТ Р 58886 Единая энергетическая система и изолированно работающие энергосистемы. Релейная защита и автоматика. Дистанционная и токовые защиты линий электропередачи и оборудования классом напряжения 330 кВ и выше. Функциональные требования
ГОСТ Р 58887 Единая энергетическая система и изолированно работающие энергосистемы. Релейная защита и автоматика. Дистанционная и токовые защиты линий электропередачи и оборудования классом напряжения 110-220 кВ. Функциональные требования
ГОСТ Р 58978 Единая энергетическая система и изолированно работающие энергосистемы. Релейная защита и автоматика. Дифференциальная защита линий электропередачи классом напряжения 330 кВ и выше. Функциональные требования
ГОСТ Р 58979 Единая энергетическая система и изолированно работающие энергосистемы. Релейная защита и автоматика. Дифференциальная защита линий электропередачи классом напряжения 110-220 кВ. Функциональные требования
ГОСТ Р 58980 Единая энергетическая система и изолированно работающие энергосистемы. Релейная защита и автоматика. Дифференциально-фазная защита линий электропередачи классом напряжения 330 кВ и выше. Функциональные требования
ГОСТ Р 58981 Единая энергетическая система и изолированно работающие энергосистемы. Релейная защита и автоматика. Дифференциально-фазная защита линий электропередачи классом напряжения 110-220 кВ. Функциональные требования
ГОСТ Р 58982 Единая энергетическая система и изолированно работающие энергосистемы. Релейная защита и автоматика. Направленная высокочастотная защита линий электропередачи классом напряжения 110-220 кВ. Функциональные требования
Примечание — При пользовании настоящим стандартом целесообразно проверить действие ссылочных стандартов в информационной системе общего пользования - на официальном сайте Федерального агентства по техническому регулированию и метрологии в сети Интернет или по ежегодному информационному указателю "Национальные стандарты", который опубликован по состоянию на 1 января текущего года, и по выпускам ежемесячного информационного указателя "Национальные стандарты" за текущий год. Если заменен ссылочный стандарт, на который дана недатированная ссылка, то рекомендуется использовать действующую версию этого стандарта с учетом всех внесенных в данную версию изменений. Если заменен ссылочный стандарт, на который дана датированная ссылка, то рекомендуется использовать версию этого стандарта с указанным выше годом утверждения (принятия). Если после утверждения настоящего стандарта в ссылочный стандарт, на который дана датированная ссылка, внесено изменение, затрагивающее положение, на которое дана ссылка, то это положение рекомендуется применять без учета данного изменения. Если ссылочный стандарт отменен без замены, то положение, в котором дана ссылка на него, рекомендуется применять в части, не затрагивающей эту ссылку.
3 Термины, определения и сокращения
3.1 Термины и определения
В настоящем стандарте применены термины по ГОСТ Р 58669, ГОСТ Р 58886, ГОСТ Р 58887, ГОСТ Р 58978, ГОСТ Р 58979, ГОСТ Р 58980, ГОСТ Р 58981, ГОСТ Р 58982, а также следующие термины с соответствующими определениями:
3.1.1 номер версии алгоритма функционирования устройства: Индивидуальный цифровой, буквенный или буквенно-цифровой набор (номер), в том числе входящий в состав номера версии программного обеспечения устройства, отличающий указанную версию алгоритма функционирования устройства от других версий и подлежащий изменению при внесении изменений в алгоритм функционирования устройства (включая изменения, вносимые при модификации, иной переработке или адаптации алгоритма функционирования устройства).
3.1.2 номер версии программного обеспечения устройства: Индивидуальный цифровой, буквенный или буквенно-цифровой набор (номер), отличающий данную модификацию программного обеспечения устройства от других версий.
3.1.3 напряжение точки перегиба вольтамперной характеристики трансформатора тока: Действующее значение синусоидального напряжения промышленной частоты на выводах вторичной обмотки трансформатора тока (при разомкнутых остальных обмотках), уменьшение которого на 5% приводит к уменьшению действующего значения тока намагничивания в пять раз.
3.2 Сокращения
В настоящем стандарте применены следующие сокращения:
АПВ — автоматическое повторное включение;
ДЗ — дистанционная защита;
ДЗЛ — дифференциальная защита линий;
ДФЗ — дифференциально-фазная защита;
ВАХ — вольтамперная характеристика трансформатора тока;
ВН — высшее напряжение;
КЗ — короткое замыкание;
ЛЭП — линия электропередачи;
НВЧЗ — направленная высокочастотная защита;
НН — низшее напряжение;
ОАПВ — однофазное автоматическое повторное включение;
ОСФ — орган сравнения фаз;
ПАК РВ — программно-аппаратный комплекс моделирования энергосистем в режиме реального времени;
РАС — регистратор аварийных событий;
РЗ — релейная защита;
РЗА — релейная защита и автоматика;
РУ — распределительное устройство;
ТАПВ — трехфазное автоматическое повторное включение;
ТТ — трансформатор тока;
ТУ — телеускорение;
ТНЗНП — токовая направленная защита нулевой последовательности.
4 Требования к работе быстродействующих защит ЛЭП 110 кВ и выше в переходных режимах, сопровождающихся насыщением трансформаторов тока
4.1 Быстродействующие защиты ЛЭП 110 кВ и выше должны обеспечивать правильную работу при указанном в технической документации организации-изготовителя (далее — производитель) минимально необходимом времени достоверного измерения значения тока в переходных режимах, сопровождающихся насыщением ТТ.
4.2 При внутренних КЗ время срабатывания быстродействующих защит ЛЭП 110 кВ и выше не должно превышать значений, заявленных производителем в технической документации:
- для ДФЗ, ДЗЛ, НВЧЗ, а также для телеускоряемых ступеней ДЗ и ТНЗНП - при КЗ в пределах всей зоны их действия;
- для первой ступени ДЗ - при КЗ в пределах 90% ее зоны действия;
- для первой ступени ТНЗНП - при КЗ, сопровождающихся значением тока не менее 1,1 от тока срабатывания первой ступени ТНЗНП.
4.3 При переходе внешнего КЗ во внутреннее в условиях наличия насыщения ТТ время срабатывания быстродействующих защит ЛЭП 110 кВ и выше на отключение (без учета времени срабатывания выходного реле) должно составлять не более 60 мс.
4.4 Для первых ступеней ДЗ и ТНЗНП должно быть обеспечено отсутствие излишних срабатываний при КЗ с насыщением ТТ "за спиной" защиты, а также за пределами зоны действия ступени защиты.
4.5 Для быстродействующих защит ЛЭП 110 кВ и выше должно быть обеспечено отсутствие излишних срабатываний при внешних КЗ, сопровождающихся насыщением ТТ.
4.6 Быстродействующие защиты ЛЭП 330 кВ и выше должны обеспечивать правильное определение поврежденной фазы в условиях насыщения ТТ.
5 Требования к составу информации, определяющей работу быстродействующих защит ЛЭП 110 кВ и выше в переходных режимах, сопровождающихся насыщением трансформаторов тока
В технической документации на микропроцессорные устройства РЗА, реализующие функции быстродействующих защит ЛЭП 110 кВ и выше (далее — устройства РЗ ЛЭП 110 кВ и выше), должны быть указаны:
а) минимально необходимое время достоверного измерения значения тока, при котором обеспечивается правильная работа быстродействующих защит ЛЭП 110 кВ и выше [2], реализованных в устройстве РЗА, в переходных режимах, сопровождающихся насыщением ТТ;
б) возможность подключения быстродействующих защит ЛЭП 110 кВ и выше к ТТ классов точности 5P, 10P, 5PR, 10PR, TPY, TPZ;
в) возможность подключения полукомплектов устройств РЗА, в которых реализованы функции ДФЗ, ДЗЛ и НВЧЗ ЛЭП 110 кВ и выше, к ТТ разных классов точности: 5P, 10P, 5PR, 10PR, TPY, TPZ;
г) возможность подключения быстродействующих защит ЛЭП 110 кВ и выше к ТТ разных классов точности (5P, 10P, 5PR, 10PR, TPY, TPZ) в цепях выключателей при включении данного устройства по схеме с внутренним суммированием токов;
д) время срабатывания быстродействующих защит ЛЭП 110 кВ и выше1).
1) Для ТНЗНП при значении тока 1,1 от тока срабатывания первой ступени ТНЗНП.
6 Требования к испытаниям быстродействующих защит ЛЭП 110 кВ и выше
6.1 Для проверки выполнения установленных настоящим стандартом требований к работе быстродействующих защит ЛЭП 110 кВ и выше в переходных режимах, сопровождающихся насыщением ТТ, следует проводить испытания.
6.2 Результаты испытаний быстродействующих защит ЛЭП 110 кВ и выше на соответствие требованиям к работе таких устройств в переходных режимах, сопровождающихся насыщением ТТ (далее — испытания), распространяются на конкретную версию алгоритма функционирования устройства, конкретную схему подключения быстродействующих защит ЛЭП 110 кВ и выше к ТТ (подключение устройств РЗ к ТТ ЛЭП или на сумму токов в ветвях выключателей ЛЭП) и конкретный класс точности ТТ, к которому подключаются быстродействующие защиты ЛЭП 110 кВ и выше, непосредственно прошедшие проверку выполнения указанных требований.
При изменении версии программного обеспечения устройства РЗ ЛЭП 110 кВ и выше, не приводящем к изменению версии алгоритма функционирования быстродействующих защит ЛЭП 110 кВ и выше, ранее прошедшего испытания, проводить повторные испытания не требуется.
При изменении версии программного обеспечения устройства РЗ ЛЭП 110 кВ и выше, приводящем к изменению версии алгоритма функционирования быстродействующих защит ЛЭП 110 кВ и выше, ранее прошедшего испытания, необходимо проводить повторные испытания.
В случае изменения версии алгоритма функционирования быстродействующих защит ЛЭП 110 кВ и выше, и (или) изменения схемы подключения ранее прошедших испытания быстродействующих защит ЛЭП 110 кВ и выше к ТТ, и (или) изменения класса точности ТТ, к которому подключаются ранее прошедшие испытания быстродействующие защиты ЛЭП 110 кВ и выше, необходимо проводить повторные испытания.
6.3 Испытания быстродействующих защит ЛЭП 110 кВ и выше следует проводить в соответствии с методикой проведения испытаний согласно приложению А с использованием ПАК РВ.
6.3.1 Для быстродействующих защит ЛЭП 110 кВ и выше, допускающих подключение только к ТТ ЛЭП, испытания необходимо выполнять:
- при подключении к ТТ класса точности 5P, 10P в соответствии с А.4;
- наличии возможности подключения к ТТ класса точности 5PR, 10PR, TPY, TPZ в соответствии с A.4, А.6.
6.3.2 Для быстродействующих защит ЛЭП 110 кВ и выше, допускающих подключение как на ТТ ЛЭП, так и на сумму токов в ветвях выключателей ЛЭП, испытания необходимо выполнять:
- при подключении к ТТ класса точности 5P, 10P в соответствии с А.4 и А.5;
- наличии возможности подключения к ТТ класса точности 5PR, 10PR, TPY, TPZ в соответствии с А.4-А.7.
6.4 Для проведения испытаний быстродействующих защит ЛЭП 110 кВ и выше организация (испытательная лаборатория, испытательный центр), проводящая(ий) испытания (далее - организация, осуществляющая испытания), должна:
- быть оснащена соответствующей производственно-технической базой (техническими средствами), необходимой для проведения испытаний, включая математическую модель энергосистемы, созданную с применением ПАК РВ в составе тестовой схемы с характеристиками, требуемыми для проведения испытаний быстродействующих защит ЛЭП 110 кВ и выше в соответствии с приложением А;
- обеспечить независимость и достоверность результатов испытаний, в том числе исключить вмешательство работников и иных представителей лица, по инициативе которого проводят испытания, в ход проведения испытаний, регистрацию проводимых опытов и влияние на их результаты.
6.5 Указанные в 6.4 требования являются минимально необходимыми. В случаях, предусмотренных нормативными правовыми актами Российской Федерации, или по решению производителя быстродействующих защит ЛЭП 110 кВ и выше, собственника или иного законного владельца объекта электроэнергетики, на котором планируются к установке (установлены) быстродействующие защиты ЛЭП 110 кВ и выше, или иного лица, заинтересованного в проведении испытаний (далее - владелец устройства), к организации, осуществляющей испытания, могут быть предъявлены дополнительные требования, установленные нормативными правовыми актами Российской Федерации или владельцем устройства соответственно.
6.6 Испытания следует проводить по программе, разработанной в соответствии с приложением А.
6.7 Для проведения испытаний владельцем устройства должны быть предоставлены следующие документы и информация:
- руководство (инструкция) по эксплуатации устройства РЗ ЛЭП 110 кВ и выше, включающее техническое описание с обязательным указанием типа (марки), номера версии программного обеспечения и номера версии алгоритма функционирования, области применения, схем подключения устройства к ТТ, классы точности ТТ, к которым допускается подключать быстродействующие защиты ЛЭП 110 кВ и выше, функционально-логические схемы с описанием алгоритмов работы устройства, а также инструкция по наладке, техническому обслуживанию и эксплуатации устройств РЗ ЛЭП 110 кВ и выше;
- номер версии алгоритма функционирования быстродействующих защит ЛЭП 110 кВ и выше (при отсутствии номеров версии алгоритма функционирования первых ступеней ДЗ и ТЗНП указывают номера версий алгоритмов функционирования ДЗ, ТЗНП), применяемого в устройстве РЗА;
- номер версии программного обеспечения устройства РЗ ЛЭП 110 кВ и выше;
- методика расчета и выбора параметров настройки (уставок) и алгоритмов функционирования быстродействующих защит ЛЭП 110 кВ и выше;
- параметры настройки быстродействующих защит ЛЭП 110 кВ и выше для проведения испытаний, а также обоснование их выбора для тестовых схем, приведенных в приложении А.
Примечание — При подготовке параметров настройки владельцам устройства необходимо учитывать рекомендации по выбору уставок, приведенные в А.3.4 приложения А.
6.8 Для проведения испытаний владелец устройства РЗ ЛЭП 110 кВ и выше передает организации, осуществляющей испытания, устройство (несколько устройств) РЗ ЛЭП 110 кВ и выше, аппаратуру для организации канала связи между полукомплектами защиты и согласовывает схемы его (их) подключения к тестовой модели энергосистемы (к интерфейсным блокам ПАК РВ).
Примечание — Для организации канала связи должна быть использована аппаратура, рекомендованная производителем РЗА или соответствующая предъявляемым им техническим требованиям.
6.9 Организация, осуществляющая испытания, проводит их в соответствии с этапами подготовки и проведения испытаний быстродействующих защит ЛЭП 110 кВ и выше согласно приложению А.
6.10 Результаты испытаний оформляют в виде протокола. Протокол испытаний должен быть подписан всеми участниками испытаний и утвержден уполномоченным должностным лицом организации, осуществляющей испытания.
6.11 Протокол испытаний должен содержать следующую информацию:
- наименование и адрес производителя и владельца (если владелец не является производителем) устройства;
- наименование и адрес организации, проводившей испытания;
- номер и дату протокола испытаний, нумерацию каждой страницы протокола, а также общее количество страниц;
- дату (период) проведения испытаний;
- место проведения испытаний;
- перечень лиц, принявших участие в испытаниях;
- ссылку на настоящий стандарт, на соответствие которому проведены испытания;
- программу испытаний;
- описание быстродействующих защит ЛЭП 110 кВ и выше [тип, схема подключения устройства к ТТ (подключение к ТТ ЛЭП или на сумму токов в ветвях выключателей ЛЭП), класс точности ТТ, к которым подключаются быстродействующие защиты ЛЭП 110 кВ и выше, номинальные параметры, номер версии программного обеспечения и номер версии алгоритма функционирования быстродействующих защит ЛЭП 110 кВ и выше, структурная схема алгоритма функционирования и ее описание с учетом внесенных при испытаниях изменений];
- описание тестовой модели энергосистемы, на которой проводились испытания;
- параметры ПАК РВ (тип, модель, заводской номер);
- параметры настройки (уставки) устройств(а) быстродействующих защит ЛЭП 110 кВ и выше, схемы дополнительной логики (при необходимости) с обоснованием их выбора, представленные владельцем устройства;
- скорректированные параметры настройки устройств(а) быстродействующих защит ЛЭП 110 кВ и выше, при которых проводились испытания (если такие параметры были изменены по сравнению с первоначально выбранными параметрами настройки), с приложением обоснования корректировки;
- протокол документальной проверки быстродействующих защит ЛЭП 110 кВ и выше;
- результаты проведенных испытаний быстродействующих защит ЛЭП 110 кВ и выше на тестовой модели энергосистемы, содержащие материалы [осциллограммы, отражающие все входные и выходные аналоговые и дискретные сигналы, подаваемые в устройство и принимаемые от устройства, а также информацию о внутренних вычисляемых переменных и сигналах, показания регистрирующих приборов, журналы срабатываний испытуемых(ого) устройств(а) быстродействующих защит ЛЭП 110 кВ и выше и т.п.], достаточные для оценки правильности функционирования испытуемых(ого) устройств(а) быстродействующих защит ЛЭП 110 кВ и выше в каждом из проведенных опытов;
- оценку правильности функционирования устройств(а) быстродействующих защит ЛЭП 110 кВ и выше в каждом из проведенных опытов и выводы о соответствии или несоответствии проверяемых параметров, характеристик устройств(а) быстродействующих защит ЛЭП 110 кВ и выше приведенным в настоящем стандарте, в том числе отдельно по каждым проверяемым параметру, характеристике.
6.12 В протоколе испытаний не допускается помещать рекомендации и советы по устранению недостатков или совершенствованию испытанного устройства быстродействующих защит ЛЭП 110 кВ и выше и (или) алгоритма его функционирования.
Содержащиеся в протоколе испытаний выводы о соответствии или несоответствии проверяемых параметров быстродействующих защит ЛЭП 110 кВ и выше требованиям настоящего стандарта должны носить безусловный констатирующий характер. Не допускается включение в протокол испытаний выводов о соответствии параметров испытанного устройства быстродействующих защит ЛЭП 110 кВ и выше и (или) алгоритма его функционирования требованиям настоящего стандарта в сослагательном наклонении или при условии реализации определенных мер.
6.13 Устройство быстродействующих защит ЛЭП 110 кВ и выше считают прошедшим испытания, если по результатам оценки правильности функционирования быстродействующих защит ЛЭП 110 кВ и выше в каждом из проведенных опытов сделан вывод о соответствии всех проверяемых параметров, характеристик устройства РЗ ЛЭП 110 кВ и выше требованиям настоящего стандарта.
6.14 Информация о результатах испытаний с указанием наименования, функции устройства РЗ ЛЭП 110 кВ и выше, номера версии программного обеспечения устройства РЗ ЛЭП 110 кВ и выше, номера версии(й) алгоритма функционирования быстродействующих защит ЛЭП 110 кВ и выше, схемы подключения быстродействующих защит ЛЭП 110 кВ и выше к ТТ (подключение устройств РЗ к ТТ ЛЭП, на сумму токов в ветвях выключателей ЛЭП), классов точности ТТ, к которым подключались быстродействующие защиты ЛЭП 110 кВ и выше, в отношении которых проводились испытания (далее - информация о результатах испытаний), и приложением копии протокола испытаний должна быть направлена владельцем устройства (уполномоченным им лицом) субъекту оперативно-диспетчерского управления в электроэнергетике.
Информация о результатах испытаний (протокол испытаний) должна храниться у владельца устройства.
Если испытания проводились по инициативе производителя устройства РЗ ЛЭП 110 кВ и выше, информация о результатах испытаний (протокол испытаний) должна(ен) предоставляться субъектам электроэнергетики и потребителям электрической энергии, владеющим на праве собственности или ином законном основании объектами по производству электрической энергии, объектами электросетевого хозяйства и (или) энергопринимающими установками, входящими в состав электроэнергетической системы или присоединяемыми к ней, при проведении закупочных процедур для подтверждения соответствия устройств требованиям настоящего стандарта.
6.15 Информацию о результатах испытаний, полученную субъектом оперативно-диспетчерского управления в электроэнергетике в соответствии с 6.14, следует систематизировать и размещать на официальном сайте субъекта оперативно-диспетчерского управления в электроэнергетике или ином общедоступном ресурсе в сети Интернет.
Приложение А
(обязательное)
Методика проведения испытаний быстродействующих защит ЛЭП 110 кВ и выше на соответствие требованиям к работе в переходных режимах, сопровождающихся насыщением трансформаторов тока
А.1 Этапы подготовки и проведения испытаний устройств РЗ ЛЭП 110 кВ и выше
А.1.1 Испытания необходимо проводить с использованием ПАК РВ.
А.1.2 ПАК РВ должен удовлетворять следующим требованиям:
- количество каналов тока — не менее девяти;
- максимальное значение тока длительно — не менее 30 А на каждый канал для испытаний устройств с номинальным током 1 А;
- погрешность воспроизведения тока — не более 0,2% в диапазоне 0,5-30,0 А (2,5-150,0 А);
- угловая погрешность сигналов тока — не более 0,2°;
- количество каналов напряжения — не менее 12;
- максимальное значение линейного напряжения длительно — не менее 200 В;
- погрешность воспроизведения напряжения — не более 0,2% в диапазоне 5,0-200,0 В;
- угловая погрешность сигналов напряжения — не более 0,2°;
- количество дискретных входов для приема сигналов срабатывания защит — не менее 12;
- точность регистрации сигналов срабатывания защит — не более 1 мс;
- количество выходов для формирования управляющих сигналов на испытуемые устройства РЗА — не менее 12;
- точность формирования дискретных сигналов — не более 1 мс;
- наличие встроенных средств осциллографирования и РАС ПАК РВ в формате COMTRADE [3].
А.1.3 Схема испытательной установки должна обеспечить возможность измерения времени срабатывания испытуемой функции устройства на отключение (на каждой стороне линии, если функция организуется в полукомплектах защит) как с учетом времени работы выходных реле, так и без учета времени срабатывания выходных реле.
А.1.4 Параметры настройки встроенного в устройства РЗ ЛЭП 110 кВ и выше осциллографа и РАС ПАК РВ должны соответствовать:
- длительность одной записи — 9,0 с;
- доаварийный режим — 0,5 с;
- послеаварийный режим — 0,5 с.
А.1.5 Испытания должны содержать следующие этапы:
- сборка тестовой(ых) модели(ей) энергосистемы;
- установка в устройстве(ах) РЗ ЛЭП 110 кВ и выше предоставленных владельцем устройства параметров настройки устройств(а) РЗ ЛЭП 110 кВ и выше для тестовой модели энергосистемы;
- подключение устройств(а) РЗ ЛЭП 110 кВ и выше к ПАК РВ;
- проведение испытаний быстродействующих защит ЛЭП 110 кВ и выше в соответствии с программой испытаний с регистрацией всех опытов;
- анализ результатов испытаний;
- подготовка протокола испытаний с заключением.
А.2 Сборка тестовой схемы для проведения функциональных испытаний защит
А.2.1 Тестовая модель должна удовлетворять следующим требованиям:
- возможность изменения схемы и параметров режима исследуемого объекта;
- возможность варьирования места, вида, момента (фазы) возникновения и длительности повреждения, переходного сопротивления в месте КЗ;
- возможность моделирования переходных процессов с учетом насыщения ТТ, в том числе возможность моделирования остаточной намагниченности ТТ;
- возможность варьирования следующих параметров модели ТТ: вольтамперной характеристики, сопротивления вторичной обмотки, сопротивления нагрузки, величины и знака остаточного магнитного потока;
- возможность учета схемы соединения вторичных обмоток ТТ (перераспределения токов во вторичных цепях).
А.2.2 Настройка параметров модели тестовой схемы
А.2.2.1 В процессе испытаний необходимо варьировать значения постоянных времени затухания апериодической составляющей источников в первичной сети. Для этого активные сопротивления прямой и нулевой последовательностей эквивалентных источников пересчитывают в соответствии с формулами:
![]()
, (А.1)
, (А.2)
где Tp — постоянная времени затухания апериодической составляющей первичного тока;
X1, X0 — реактивные сопротивления источников прямой и нулевой последовательностей.
А.2.2.2 В ряде режимов варьируются значения составляющих тока КЗ от эквивалентных источников схемы путем изменения значений сопротивлений источников R1, X1; R0, X0 без изменения соотношений между активной и реактивной составляющими сопротивления, рассчитываемых по формулам:
; (А.3)
; (А.4)
; (А.5)
, (А.6)
где Kl — требуемая кратность составляющей тока КЗ от эквивалентного источника (отношение тока КЗ при базовых параметрах схемы к его требуемому значению).
А.2.3 Схемы замещения различных видов КЗ должны соответствовать приведенным на рисунке А.1: для однофазного КЗ — рисунок А.1 а); для двухфазного КЗ на землю — рисунок А.1 б); для двухфазного КЗ — рисунок А.1 в); для трехфазного КЗ — рисунок А.1 г).

К(1) — однофазное КЗ; К(1,1) — двухфазное КЗ на землю; К(2) — двухфазное КЗ; К(3) — трехфазное КЗ; - переходное сопротивление КЗ
Рисунок А.1 — Схемы замещения КЗ
А.2.4 Задание параметров модели ТТ
А.2.4.1 Параметры модели базового ТТ рассчитаны по наиболее тяжелому режиму установившегося КЗ без учета "запаса на переходный режим" (при заданной нагрузке ТТ обеспечивают работу в классе точности при симметричном синусоидальном токе максимальной кратности с учетом заданных параметров модели первичной сети).
А.2.4.2 Задание параметров модели ТТ класса точности 5(10)P и 5(10)PR в соответствии с заданным минимально необходимым временем достоверного измерения значения тока, при котором обеспечивается правильная работа функций РЗ, реализованных в устройстве РЗА, в переходных режимах, сопровождающихся насыщением ТТ.
а) При конфигурировании модели параметры базового ТТ должны масштабироваться с учетом заявляемых производителями испытуемых устройств требований к ТТ. Для этого исходя из заявленного производителем минимально необходимого времени достоверного измерения значения тока рассчитывают новое значение напряжения точки перегиба. Затем соответствующим образом корректируется ВАХ базового ТТ, для чего значения напряжений и токов ВАХ умножаются на отношение вычисленного напряжения насыщения к напряжению насыщения базового ТТ.
б) Расчет точки перегиба ВАХ по требуемому производителем РЗА значению минимально необходимого времени достоверного измерения значения тока.
Напряжение точки перегиба Uнас следует рассчитывать по формуле
, (А.7)
где U2 sin — напряжение на вторичной обмотке при вторичном синусоидальном токе фактической кратности Kфакт и заданном суммарном сопротивлении вторичного контура, рассчитываемое по формуле
, (А.8)
где Kфакт — фактическая кратность первичного тока КЗ, рассчитываемая по формуле
, (А.9)
где IКЗ — действующее значение тока КЗ в расчетной точке КЗ;
I1 ном — номинальный первичный ток ТТ;
I2 ном — номинальный вторичный ток ТТ;
R2 — сопротивление вторичной обмотки ТТ;
Rн — сопротивление нагрузки ТТ, принимаемое в соответствии со значениями, приведенными в таблицах А.2, А.5, А.9, А.13, А.18, А.21, А.26, А.29;
Kп.р — коэффициент переходного режима, рассчитываемый по формуле

, (А.10)
где Ta — постоянная времени затухания апериодической составляющей тока, принимаемая в соответствии со значениями, приведенными в таблицах А.3, А.6, А.10, А.14, А.15, А.19, А.22, А.27, А.30; tРЗ — минимально необходимое время достоверного измерения значения тока, при котором обеспечивается правильная работа функций РЗ, реализованных в устройстве РЗА, в переходных режимах, сопровождающихся насыщением ТТ, и которое заявлено разработчиком испытуемого устройства РЗА; Kr — коэффициент остаточной намагниченности, который определяется в соответствии с перечислением в) данного пункта.
При расчете напряжения точки перегиба ВАХ следует использовать фактические сопротивления нагрузки ТТ при однофазном и трехфазном КЗ. Фактическое сопротивление нагрузки ТТ при трехфазном КЗ принимают равным сопротивлению нагрузки на фазу (при однофазном КЗ — удвоенному сопротивлению нагрузки на фазу).
в) Для той фазы, в которой требуется моделировать насыщение ТТ, в моделях ТТ устанавливают (задают) коэффициент остаточной намагниченности в соответствии с таблицами А.7, А.16. В моделях остальных ТТ (установленных в других фазах) задают максимальный коэффициент остаточной намагниченности (0,86 о.е.) противоположного знака по отношению к знаку апериодической составляющей тока.
А.2.4.3 Задание параметров модели ТТ класса точности P в соответствии с заданной погрешностью ТТ (в соответствии с таблицей А.23)
а) Постоянную времени вторичного контура ТТ Ts коэффициент переходного режима Kп.р необходимо определять итерационным способом.
б) Постоянную времени вторичной ветви ТТ на первом шаге итерационного процесса следует принимать равной Ts=182 мс.
в) Коэффициент переходного режима Kп.р(t) при возникновении первого КЗ определяют по формуле

, (А.11)
где Ta принимают в соответствии со значениями, приведенными в таблицах А.19, А.22, А.27, А.30;
tКЗ1 — время отключения первого КЗ.
Коэффициент переходного режима при возникновении второго КЗ (при неуспешном АПВ) определяют по формуле
, (А.12)
где Kп.р(t2) — коэффициент переходного режима в момент возникновения второго КЗ, который определяют по формуле
, (А.13)
где Kп.р(tкз1) — коэффициент переходного режима в момент времени, соответствующий времени до насыщения ТТ при первом КЗ.
Если полученное значение Kп.р не удовлетворяет условию (А.14), необходимо Ts увеличить на 5% и повторно рассчитать Kп.р по формуле (А.11)
, (А.14)
где εмакс — максимальная мгновенная погрешность в соответствии с таблицей А.22.
г) Площадь поперечного сечения магнитопровода ТТ Sм определяют по формуле
, (А.15)
где Sм.б — площадь поперечного сечения магнитопровода базового ТТ (см. таблицы А.18, А.21, А.26, А.29);
Kп.р — коэффициент переходного режима, рассчитываемый по формуле (А.11);
U2 sin — напряжение, соответствующее электродвижущей силе вторичной обмотки при фактической кратности первичного тока ТТ и суммарном сопротивлении ветви вторичного тока, которое определяют по формуле
, (А.16)
где Kфакт — фактическая кратность первичного тока ТТ, рассчитываемая по формуле (А.9);
I2 ном — номинальный вторичный ток;
R2 — сопротивление вторичной обмотки ТТ;
Rн — сопротивление нагрузки ТТ, которое принимается в соответствии со значениями, приведенными в таблицах А.2, А.5, А.9, А.13, А.18, А.21, А.26, А.29;
Uнам.ном.б — номинальное напряжение намагничивания базового ТТ.
д) Длину средней линии магнитопровода ТТ Iср определяют по формуле
, (А.17)
где Iм.б — длина средней линии магнитопровода базового ТТ;
Kп.р.ном — номинальное значение коэффициента переходного режима.
е) Длину воздушного зазора Iз определяют по формуле
, (А.18)
где μ3 — магнитная проницаемость воздушного зазора, равная 4·π·10-7 Гн/м;
μст — магнитная проницаемость стального магнитопровода1), равная 13·103μ3, Гн/м;
1) Принимают значение, соответствующее характеристикам стали, заданным в модели базового ТТ.
L0 — индуктивность ветви намагничивания, равная Ts(R2 + Rн.факт), где R2 — сопротивление вторичной обмотки ТТ;
Rн.факт — фактическое сопротивление нагрузки ТТ;
w2 — число витков вторичной обмотки базового ТТ.
А.2.4.4 Задание параметров модели ТТ класса точности TPY
а) Постоянную времени вторичного контура ТТ Ts коэффициента переходного режима Kп.р необходимо определять итерационным способом.
б) Постоянную времени вторичной ветви ТТ Ts на первом шаге итерационного процесса следует принимать равной 182 мс.
в) Коэффициент переходного режима Kп.р определяют по формуле (А.11).
г) Площадь поперечного сечения магнитопровода тестового ТТ Sм определяют по формуле (А.15).
д) Длину средней линии магнитопровода тестового ТТ Iср рассчитывают по формуле (А.17).
е) Длину воздушного зазора тестового ТТ I3 рассчитывают по формуле (А.18).
А.2.4.5 Задание параметров модели ТТ класса точности TPZ:
а) Постоянную времени вторичной цепи Ts необходимо принять равной 61 мс.
б) Коэффициент переходного режима Kп.р определяют по формуле (А.11).
в) Площадь поперечного сечения магнитопровода ТТ Sм определяют по формуле (А.15).
г) Длину средней линии магнитопровода тестового ТТ Iср рассчитывают по формуле (А.17).
д) Длину воздушного зазора тестового ТТ I3 рассчитывают по формуле (А.18).
А.2.5 Параметры срабатывания испытуемых устройств РЗ рассчитывает владелец устройств с учетом требований настоящего стандарта.
А.3 Проведение функциональных испытаний защит
А.3.1 Для быстродействующих защит ЛЭП 110 кВ и выше, допускающих подключение только к ТТ ЛЭП, функциональные испытания необходимо проводить:
- при подключении к ТТ класса точности 5P, 10P в соответствии с А.4;
- подключении к ТТ класса точности 5PR, 10PR, TPY, TPZ в соответствии с А.4, А.6.
А.3.2 Для быстродействующих защит ЛЭП 110 кВ и выше, допускающих подключение как на ТТ ЛЭП, так и на сумму токов в ветвях выключателей ЛЭП, функциональные испытания необходимо проводить:
- при подключении к ТТ класса точности 5P, 10P в соответствии с А.4 и А.5;
- подключении к ТТ класса точности 5PR, 10PR, TPY, TPZ в соответствии с А.4, А.5, А.6 и А.7.
А.3.3 При проведении испытаний должно быть обеспечено выполнение нижеприведенных условий.
А.3.3.1 Логика блокировки при переходных режимах/при реверсе мощности (или ее аналоги, обеспечивающие правильную работу испытуемой функции и при насыщении ТТ) должна быть введена.
А.3.3.2 Дискретный сигнал срабатывания устройства РЗ должен действовать на отключение соответствующих моделей выключателей линии в ПАК РВ.
А.3.3.3 Для каждой точки и вида КЗ модели ТТ настраивают таким образом, чтобы минимальное время до насыщения ТТ при КЗ (трехфазном или однофазном) в этой точке соответствовало заявляемому производителем минимально необходимому времени достоверного измерения значения тока в соответствии с перечислением а) раздела 5.
А.3.3.4 Момент возникновения КЗ с насыщением ТТ в одной из поврежденных фаз выбирают следующим образом:
- для однофазных КЗ, двухфазных КЗ на землю и трехфазных КЗ — соответствует переходу через ноль напряжения той фазы, в которой моделируется насыщение ТТ;
- двухфазных КЗ — соответствует переходу через ноль линейного напряжения поврежденных фаз.
А.3.4 При проведении испытаний основные параметры срабатывания быстродействующих защит ЛЭП 110 кВ и выше следует задавать в соответствии с нижеприведенными требованиями.
А.3.4.1 Основные параметры срабатывания ДЗ:
- "охват" первой ступени должен составлять 85% длины защищаемой линии;
- "охват" по оси активных сопротивлений (без учета активного сопротивления защищаемой линии) должен составлять 0,8XI; для схемы, указанной в А.5.2.3, А.7.2.1, — 3XI; для схем, указанных в А.4.1.3, А.4.2.3, А.5.1.2, А.5.2.4, А.6.1.3, А.6.2.3, А.7.1.1 (XI — уставка первой ступени по реактивному сопротивлению);
- коэффициент компенсации током нулевой последовательности следует определять по формуле
, (А.19)
где Z0 — сопротивление нулевой последовательности защищаемой ЛЭП;
Z1 — сопротивление прямой последовательности защищаемой ЛЭП; - параметры настройки избирателей поврежденных фаз следует выбирать с учетом переходного сопротивления в месте КЗ не менее 2 Ом;
- остальные параметры срабатывания ДЗ должны быть определены в соответствии с рекомендациями производителя устройства РЗ и внесены в протокол испытаний.
А.3.4.2 Основные параметры срабатывания ТНЗНП:
- уставку первой ступени ТНЗНП по току следует отстраивать от максимального значения тока нулевой последовательности при КЗ на шинах противоположной подстанции с коэффициентом отстройки, равным 1,3;
- остальные параметры срабатывания ТНЗНП должны быть определены в соответствии с рекомендациями производителя устройства РЗ и внесены в протокол испытаний.
А.3.4.3 Основные параметры срабатывания ДЗЛ:
- коэффициент чувствительности в режиме однофазного металлического КЗ в конце линии при одностороннем питании должен быть не менее 2;
- коэффициент чувствительности в режиме однофазного КЗ в начале линии с переходным сопротивлением 15 Ом при одностороннем питании должен быть не менее 2;
- остальные параметры срабатывания ДЗЛ следует определять в соответствии с рекомендациями производителей устройств РЗ и вносить в протокол испытаний.
А.3.4.4 Основные параметры срабатывания ДФЗ:
- для двухступенчатого ОСФ уставка по углу блокировки, предназначенная для обеспечения действия ОСФ по однократной паузе в приеме высокочастотного сигнала (грубая ступень), не должна превышать 90°; уставка ОСФ по углу блокировки, обеспечивающая действие ОСФ при наличии двух и более пауз в приеме высокочастотного сигнала (чувствительная ступень), не должна превышать 45°; в случае других исполнений ОСФ уставки не должны ухудшать приведенные требования в части обеспечения надежности срабатывания при внутренних КЗ;
- коэффициент манипуляции по току обратной последовательности должен быть принят равным 6, по току нулевой последовательности — 0;
- остальные параметры срабатывания ДФЗ следует выбирать в соответствии с рекомендациями производителя устройства РЗ и вносить в протокол испытаний.
А.3.4.5 Основные параметры срабатывания НВЧЗ:
- угол максимальной чувствительности органа направления мощности обратной последовательности должен соответствовать углу сопротивления прямой последовательности защищаемой линии, область срабатывания приблизительно равна 180°;
- коэффициенты чувствительности органа направления мощности обратной последовательности по току и напряжению должны быть не менее 2;
- уставка отключающего реле сопротивления по реактивному сопротивлению должна составлять 200% длины защищаемой линии; уставка по активному сопротивлению должна быть отстроена от минимального сопротивления в рабочем режиме (максимальный рабочий ток — 600 А);
- остальные параметры срабатывания НВЧЗ следует выбирать в соответствии с рекомендациями производителя устройства РЗ и вносить в протокол испытаний.
А.3.5 С целью учета особенностей конкретных образцов испытуемых устройств РЗ при проведении испытаний программы могут быть расширены.
А.4 Проведение функциональных испытаний устройств релейной защиты и автоматики, реализующих функции релейной защиты ЛЭП 110 кВ и выше, подключенных к ТТ ЛЭП класса точности 5P, 10P
А.4.1 Тестовая модель для проведения функциональных испытаний устройств релейной защиты и автоматики, реализующих функции релейной защиты ЛЭП 110-220 кВ, подключенных к ТТ ЛЭП класса точности 5P, 10P
А.4.1.1 Тестовая модель энергосистемы должна быть собрана в соответствии со схемой, приведенной на рисунке А.2.

ЭС1, ЭС2 — эквивалентные генераторы; ПС1, ПС2 — подстанции; Л1 — линия электропередачи; К1-К4 — места КЗ; ТН-1, ТН-2 — трансформаторы напряжения; ТТ-1, ТТ-2 — трансформаторы тока; Q1, Q2 — выключатели
Рисунок А.2 — Схема тестовой модели энергосистемы
А.4.1.2 Устройства РЗ следует подключать: на ПС1 — к ТТ-1 и ТН-1; на ПС2 — к ТТ-2 и ТН-2.
А.4.1.3 Параметры элементов тестовой модели энергосистемы должны соответствовать параметрам, приведенным в таблицах А.1, А.2.
Таблица А.1 — Параметры эквивалентных генераторов и ЛЭП тестовой модели энергосистемы
| Параметр | Значение |
| Параметры эквивалентного генератора ЭС1 | |
| Номинальное напряжение, кВ | 220 |
| Сопротивление прямой последовательности, Ом | 0,135 + j8,48 |
| Сопротивление нулевой последовательности, Ом | 0,336 + j21,1 |
| Угол φ, град | 4,58 |
| Параметры эквивалентного генератора ЭС2 | |
| Номинальное напряжение, кВ | 220 |
| Сопротивление прямой последовательности, Ом | 0,068 + j4,25 |
| Сопротивление нулевой последовательности, Ом | 0,138 + j8,69 |
| Угол φ, град | 0 |
| Параметры защищаемой линии Л1 | |
| Удельное сопротивление прямой последовательности, Ом/км | 0,079 + j0,416 |
| Удельное сопротивление нулевой последовательности, Ом/км | 0,24 + j1,25 |
| Длина линии, км | 10 |
Таблица А.2 — Параметры базового трансформатора тока ТТ-1
| Параметр | Значение |
| Номинальный первичный ток ТТ, А | 1000 |
| Номинальный вторичный ток ТТ, А | 1 |
| Сопротивление вторичной обмотки, Ом | 5 |
| Сопротивление нагрузки (на фазу), Ом | 5 |
| Максимальное значение коэффициента остаточной намагниченности, о.е. | 0,86 |
| Напряжение насыщения, В | 150 |
| Вольт-амперная характеристика (U - I) | |
| Напряжение U, В | 0; 37,5; 75,0; 112,5; 120,0; 127,5; 135,0; 142,5; 148,5; 150,0 |
| Ток I, А | 0; 0,0032; 0,0065; 0,0100; 0,0110; 0,0130; 0,0158; 0,0300; 0,0660; 0,0750 |
А.4.1.4 ТТ-2 должен быть представлен "идеальным" ТТ.
А.4.1.5 ТН-1, ТН-2 должны быть представлены "идеальными" ТН с коэффициентом трансформации 220 кВ/100 В.
А.4.1.6 Токи КЗ и постоянные времени апериодической составляющей тока для параметров тестовой схемы модели энергосистемы в соответствии с данными таблицы А.1 должны соответствовать значениям, приведенным в таблице А.3.
Таблица А.3 — Значения токов, протекающих через ТТ-1 при КЗ (Rf = 0,001 Ом), и постоянных времени апериодической составляющей токов
| Точка КЗ | I(3), кА | Tа(3), мс | I(1), кА | Tа(1), мс |
| К2 | 15 | 200 | 10 | 200 |
| К4 | 10,4 | 47 | 6,7 | 44 |
| К1 | 15 | 31 | 10 | 28 |
А.4.1.7 Токи рабочего режима для параметров тестовой схемы модели энергосистемы в соответствии с данными таблицы А.1 (при включенных ЭС1, ЭС2) должны составлять 600 А.
А.4.1.8 При проведении испытаний устройств РЗА, реализующих функции РЗ ЛЭП 110 кВ и выше, подключенных к ТТ ЛЭП, необходимо рассматривать КЗ в следующих точках:
- К1 — близкое КЗ за спиной защиты (минус 0% длины линии);
- К2 — близкое КЗ в прямом направлении (плюс 0% длины линии);
- К3.1 — КЗ в прямом направлении в конце зоны действия первой ступени ТНЗНП (удаленность КЗ выбирают так, чтобы при однофазном КЗ в этой точке ток нулевой последовательности в месте установки защиты составлял 1,1 тока срабатывания);
- К3.2 — КЗ в прямом направлении в конце зоны действия первой ступени ДЗ (90% "охвата" первой ступени ДЗ);
- К4 — КЗ в прямом направлении на расстоянии за пределами зоны действия первой ступени ДЗ (110% "охвата" первой ступени ДЗ).
А.4.2 Тестовая модель для проведения функциональных испытаний устройств релейной защиты и автоматики, реализующих функции релейной защиты ЛЭП 330 кВ и выше, подключенных к ТТ ЛЭП класса точности 5P, 10P
А.4.2.1 Тестовая модель энергосистемы должна быть собрана в соответствии со схемой, приведенной на рисунке А.3.

ЭС1, ЭС2 — эквивалентные генераторы; ПС1, ПС2 — подстанции; Л1 —линия электропередачи; К1-К4 — места КЗ; ТН-1, ТН-2 — трансформаторы напряжения; ТТ-1, ТТ-2 — трансформаторы тока, Q1, Q2 — выключатели
Рисунок А.3 — Схема тестовой модели энергосистемы
А.4.2.2 Устройства РЗ следует подключать: на ПС1 — к ТТ-1 и ТН-1; на ПС2 — к ТТ-2 и ТН-2.
А.4.2.3 Параметры элементов тестовой модели энергосистемы должны соответствовать параметрам, приведенным в таблицах А.4, А.5.
Таблица А.4 — Параметры тестовой схемы модели энергосистемы
| Параметр | Значение |
| Параметры эквивалентного генератора ЭС1 | |
| Номинальное напряжение, кВ | 500 |
| Сопротивление прямой последовательности, Ом | 0,229 + j28,870 |
| Сопротивление нулевой последовательности, Ом | 0,574 + j72,160 |
| Угол φ, град | 6,86 |
| Параметры эквивалентного генератора ЭС2 | |
| Номинальное напряжение, кВ | 500 |
| Сопротивление прямой последовательности, Ом | 0,180 + j22,700 |
| Сопротивление нулевой последовательности, Ом | 0,403 + j50,590 |
| Угол φ, град | 0 |
| Параметры защищаемой линии Л1 | |
| Удельное сопротивление прямой последовательности, Ом/км | 0,03 + j0,307 |
| Удельное сопротивление нулевой последовательности, Ом/км | 0,178 + j1,079 |
| Емкостная проводимость прямой последовательности, мкСм/км | 3,73 |
| Емкостная проводимость нулевой последовательности, мкСм/км | 2,88 |
| Длина линии, км | 20 |
Таблица А.5 — Параметры базового трансформатора тока ТТ-1
| Параметр | Значение |
| Номинальный первичный ток ТТ, А | 1000 |
| Номинальный вторичный ток ТТ, А | 1 |
| Сопротивление вторичной обмотки, Ом | 5 |
| Сопротивление нагрузки (на фазу), Ом | 5 |
| Максимальное значение коэффициента остаточной намагниченности, о.е. | 0,86 |
| Напряжение насыщения, В | 100 |
| Вольт-амперная характеристика (U - I) | |
| Напряжение U, В | 0; 25; 50; 75; 80; 85; 90; 95; 99; 100 |
| Ток I, А | 0; 0,00215; 0,00430; 0,00675; 0,00750; 0,00868; 0,01100; 0,02000; 0,04400; 0,05000 |
А.4.2.4 ТТ-2 должен быть представлен "идеальным" ТТ.
А.4.2.5 ТН-1, ТН-2 должны быть представлены "идеальными" ТН с коэффициентом трансформации 500 кВ/100 В.
А.4.2.6 Токи КЗ и постоянные времени апериодической составляющей тока для параметров тестовой схемы модели энергосистемы в соответствии с данными таблицы А.4 должны соответствовать значениям, приведенным в таблице А.6.
Таблица А.6 — Значения токов КЗ, протекающих через ТТ-1, и постоянных времени апериодической составляющей токов
| Точка КЗ | I(3), кА | Tа(3), мс | I(1), кА | Tа(1), мс |
| К2 | 10 | 400 | 6,67 | 400 |
| К4 | 8,4 | 144 | 5,6 | 97 |
| К1 | 10 | 118 | 6,67 | 74 |
А.4.2.7 При проведении испытаний устройств РЗА, реализующих функции РЗ ЛЭП 110 кВ и выше, подключенных к ТТ ЛЭП, необходимо рассматривать КЗ в следующих точках:
- К1 — близкое КЗ "за спиной" защиты (минус 0% длины линии);
- К2 — близкое КЗ в прямом направлении (плюс 0% длины линии);
- К3.1 — КЗ в прямом направлении в конце зоны действия первой ступени ТНЗНП (удаленность КЗ выбирают так, чтобы при однофазном КЗ в этой точке ток нулевой последовательности в месте установки защиты составлял 1,1 тока срабатывания);
- К3.2 — КЗ в прямом направлении в конце зоны действия первой ступени ДЗ (90% "охвата" первой ступени ДЗ);
- К4 — КЗ в прямом направлении на расстоянии за пределами зоны действия первой ступени ДЗ (110% "охвата" первой ступени ДЗ).
А.4.3 Проведение испытаний
Испытание устройств РЗА, реализующих функции РЗ ЛЭП 110 кВ и выше, необходимо производить в два этапа:
а) документальная проверка;
б) функциональные испытания на тестовой модели энергосистемы.
А.4.3.1 Документальная проверка
а) Для устройств РЗ ЛЭП 110 кВ и выше должна быть выполнена проверка технической документации производителя устройства РЗА на соответствие требованию, приведенному в перечислении а) раздела 5.
б) Результат документальной проверки соответствия по технической документации должен быть приведен в протоколе проверки устройств РЗ ЛЭП 110 кВ и выше. При оценке результата проверки в случае подтверждения соответствия требованиям перечисления а) раздела 5 необходимо указать пункты проверенной документации, содержание которых подтверждает это соответствие.
А.4.3.2 Функциональные испытания на тестовой модели энергосистемы
а) Функциональные испытания устройств РЗА, реализующих функции ДЗ и ТНЗНП, подключенных к ТТ ЛЭП класса точности 5P, 10P
1) Проведение функциональных испытаний устройств РЗА, реализующих функции ДЗ и ТНЗНП ЛЭП 110-220 кВ:
- функциональные испытания устройств РЗА, реализующих функции ДЗ и ТНЗНП ЛЭП 110-220 кВ, необходимо проводить на тестовой модели энергосистемы, созданной в соответствии с требованиями, указанными в А.4.1;
- программа проведения функциональных испытаний устройств РЗА, реализующих функции ДЗ и ТНЗНП ЛЭП 110-220 кВ, приведена в таблице А.7;
- при проведении испытаний необходимо варьировать значения кратностей токов КЗ (по отношению к параметрам тестовой модели энергосистемы, указанным в А.4.1.3) и постоянных времени апериодической составляющей токов КЗ эквивалентных источников энергосистем ЭС1, ЭС2: Tp, мс/Kl, o.е.: 200/1; 200/3 (только для ДЗ); 100/1; 50/1.
2) Проведение функциональных испытаний устройств РЗА, реализующих функции ДЗ и ТНЗНП ЛЭП 330 кВ и выше:
- функциональные испытания устройств РЗА, реализующих функции ДЗ и ТНЗНП ЛЭП 330 кВ и выше, необходимо проводить на тестовой модели энергосистемы, созданной в соответствии с требованиями, указанными в А.4.2;
- перечень опытов программы проведения функциональных испытаний устройств РЗА, реализующих функции ДЗ и ТНЗНП ЛЭП 330 кВ и выше, приведен в таблице А.7;
- при проведении испытаний необходимо варьировать значения кратностей токов КЗ (по отношению к параметрам тестовой модели энергосистемы, указанным в А.4.2.3) и постоянных времени апериодической составляющей токов КЗ эквивалентных источников энергосистем ЭС1, ЭС2: , Tp, мс/Kl, о.е.: 400/1; 400/3 (только для ДЗ); 200/1; 100/1.
б) Функциональные испытания устройств РЗА, реализующих функции ДЗЛ, подключенных к ТТ ЛЭП
1) Проведение функциональных испытаний устройств РЗА, реализующих функции ДЗЛ ЛЭП 110-220 кВ:
- функциональные испытания устройств РЗА, реализующих функции ДЗЛ ЛЭП 110-220 кВ, необходимо проводить на тестовой модели энергосистемы, созданной в соответствии с требованиями, указанными в А.4.1;
- программа проведения функциональных испытаний устройств РЗА, реализующих функции ДЗЛ ЛЭП 110-220 кВ, приведена в таблице А.7;
- при проведении испытаний необходимо варьировать значения кратностей токов КЗ (по отношению к параметрам схемы, указанным в А.4.1.3) и постоянных времени апериодической составляющей токов КЗ эквивалентных источников энергосистем ЭС1, ЭС2: , Tp, мс/Kl, о.е.: 200/1; 200/5; 200/10; 100/1; 50/1. В режимах по пунктам 6, 7 таблицы А.7 варьируются только кратности токов КЗ на шинах источника ЭС1; кратности токов на шинах источника ЭС2 задают в соответствии с базовыми параметрами схемы.
2) Проведение функциональных испытаний устройств РЗА, реализующих функции ДЗЛ ЛЭП 330 кВ и выше:
- функциональные испытания устройств РЗА, реализующих функции ДЗЛ ЛЭП 330 кВ и выше, необходимо проводить на тестовой модели энергосистемы, созданной в соответствии с требованиями, указанными в А.4.2;
- программа проведения функциональных испытаний устройств РЗА, реализующих функции ДЗЛ ЛЭП 330 кВ и выше, приведена в таблице А.7;
- при проведении испытаний необходимо варьировать значения кратностей токов КЗ (по отношению к параметрам схемы, указанным в А.4.2.3) и постоянных времени апериодической составляющей токов КЗ эквивалентных источников энергосистем ЭС1, ЭС2: , Tp, мс/Kl, о.е.: 400/1; 400/5; 400/10. В режимах по пунктам 6, 7 таблицы А.7 варьируются только кратности токов КЗ на шинах источника ЭС1; кратности токов на шинах источника ЭС2 задают в соответствии с базовыми параметрами схемы.
в) Функциональные испытания устройств РЗА, реализующих функции ДФЗ, подключенных к ТТ ЛЭП
1) Проведение функциональных испытаний устройств РЗА, реализующих функции ДФЗ ЛЭП 110-220 кВ:
- функциональные испытания устройств РЗА, реализующих функции ДФЗ ЛЭП 110-220 кВ, необходимо проводить на тестовой модели энергосистемы, созданной в соответствии с требованиями, указанными в А.4.1;
- программа проведения функциональных испытаний устройств РЗА, реализующих функции ДФЗ ЛЭП 110-220 кВ, приведена в таблице А.7;
- при проведении испытаний необходимо варьировать значения постоянных времени апериодической составляющей токов КЗ эквивалентных источников энергосистем ЭС1, ЭС2: Tp, мс: 200; 100; 50.
2) Проведение функциональных испытаний устройств РЗА, реализующих функции ДФЗ ЛЭП 330 кВ и выше:
- функциональные испытания устройств РЗА, реализующих функции ДФЗ ЛЭП 330 кВ и выше, необходимо проводить на тестовой модели энергосистемы, созданной в соответствии с требованиями, указанными в А.4.2;
- программа проведения функциональных испытаний устройств РЗА, реализующих функции ДФЗ ЛЭП 330 кВ и выше, приведена в таблице А.7;
- при проведении испытаний необходимо варьировать значения постоянных времени апериодической составляющей токов КЗ эквивалентных источников энергосистем ЭС1, ЭС2: Tp, мс: 400; 200; 100.
3) Функциональные испытания устройств РЗА, реализующих функции НВЧЗ ЛЭП 110-220 кВ, подключенных к ТТ ЛЭП:
- функциональные испытания устройств РЗА, реализующих функции НВЧЗ ЛЭП 110-220 кВ, необходимо проводить на тестовой модели энергосистемы, созданной в соответствии с требованиями, указанными в А.4.1;
- программа проведения функциональных испытаний устройств РЗА, реализующих функции НВЧЗ ЛЭП 110-220 кВ, приведена в таблице А.7;
- при проведении испытаний необходимо варьировать значения постоянных времени апериодической составляющей токов КЗ эквивалентных источников энергосистем ЭС1, ЭС2: Tp, мс: 200; 100; 50.
Таблица А.7 — Программа проведения функциональных испытаний быстродействующих защит ЛЭП 110 кВ и выше
| Цель испытаний | № испытания | Описание | Исходная схема, режим, вид возмущения | Правильное действие устройств РЗ |
| 1 Проверка работы быстродействующих защит ЛЭП 110 кВ и выше при близком КЗ в прямом направлении (точка К2) | ||||
| Проверка срабатывания быстродействующих защит ЛЭП 110 кВ и выше; измерение времени срабатывания защиты [далее - проверка корректной работы избирателя/селектора поврежденных фаз (для ДЗ, ТНЗНП, ДФЗ, ДЗЛ, ТУ ДЗ и ТУ ТНЗНП ЛЭП 330 кВ и выше); проверка корректного выбора поврежденной фазы функцией ДЗ (для ДЗ и ТУ ДЗ ЛЭП 110 кВ и выше)] | 1.1 | КЗ с насыщением ТТ-1 в одной из поврежденных фаз | Предшествующий повреждению режим (не менее 1 с): рабочий режим в соответствии с А.4.1.7. Виды КЗ: К(1), К(1,1), К(2), К(3). Rf = 0,001 Ом. Коэффициент остаточной намагниченности — 0 о.е. | Срабатывание быстродействующих защит ЛЭП 110 кВ и выше с временем не более указанного в технической документации на устройство РЗ. Правильное определение поврежденной(ых) фазы (фаз) |
| 1.2 | Развивающиеся КЗ с насыщением ТТ-1 в одной из поврежденных фаз | Предшествующий повреждению режим (не менее 1 с): рабочий режим в соответствии с А.4.1.7. Виды КЗ: К(1)ф1 + К(1,1)ф2,ф3, К(1,1)ф1,ф2 + К(1)ф3. Rf = 0,001 Ом. Время возникновения второго повреждения относительно первого — 10 мс. Коэффициент остаточной намагниченности — 0 о.е. | ||
| 1.3 | Междуфазные несимметричные КЗ с насыщением ТТ-1 в одной из поврежденных фаз | Предшествующий повреждению режим (не менее 1 с): рабочий режим в соответствии с А.4.1.7. Виды КЗ2): К(1)ф1 + К(1,1)ф2,ф3. Rfф1 = 0,001 Ом, Rfф2 = 2 Ом, Rfф3 = 2 Ом, К(2)ф1,ф2 + К(1)ф3. Rfф1,ф2,ф3= 0,001 Ом. Коэффициент остаточной намагниченности — 0 о.е. | ||
| 2 Проверка работы устройств ДЗ при КЗ в прямом направлении на расстоянии 90% "охвата" первой ступени ДЗ (точка К3.2) | ||||
| Проверка срабатывания первой ступени (ТУ ступени) ДЗ по контуру "фаза-фаза" при междуфазных КЗ, срабатывание первой ступени (ТУ ступени) ДЗ по контуру "фаза-земля" - при КЗ на землю; измерение времени срабатывания защиты. Проверка корректного определения поврежденной(ых) фазы(фаз) | 2 | КЗ с насыщением ТТ-1 в одной из поврежденных фаз | Предшествующий повреждению режим (не менее 1 с): рабочий режим в соответствии с А.4.1.7. Виды КЗ1): К(1), К(1,1), К(2), К(3). Rf = 0,001 Ом. Коэффициент остаточной намагниченности — 0 о.е. | Срабатывание ДЗ ЛЭП 110 кВ и выше с временем не более указанного в технической документации на устройство РЗ. Правильное определение поврежденной(ых) фазы (фаз) |
| 3 Проверка работы устройств ТНЗНП при КЗ в прямом направлении, сопровождающемся током, соответствующим 1,1 от тока срабатывания первой ступени ТНЗНП (точка К3.1) | ||||
| Проверка срабатывания первой ступени (ТУ ступени) ТНЗНП; измерение времени срабатывания защиты. Проверка корректного определения поврежденной(ых) фазы (фаз) | 3.1 | КЗ с насыщением ТТ-1 в одной из поврежденных фаз | Предшествующий повреждению режим (не менее 1 с): рабочий режим в соответствии с А.4.1.7. Виды КЗ1): К(1), К(1,1). Rf = 0,001 Ом. Коэффициент остаточной намагниченности — 0 о.е. | Срабатывание ТНЗНП ЛЭП 110 кВ и выше со временем не более указанного в технической документации на устройство РЗ. Правильное определение поврежденной(ых) фазы (фаз) |
| 4 Проверка работы устройств ДЗ при КЗ в прямом направлении на расстоянии 110% "охвата" первой ступени ДЗ (точка К4) | ||||
| Проверка отсутствия срабатывания первой ступени ДЗ. Проверка срабатывания ТУ ступени ДЗ | 4.1 | КЗ с насыщением ТТ-1 в одной из поврежденных фаз | Предшествующий повреждению режим (не менее 1 с): рабочий режим в соответствии с А.4.1.7. Виды КЗ1): К(1), К(1,1), К(2), К(3). Rf = 0,001 Ом. Коэффициент остаточной намагниченности — 0 о.е. | Отсутствие срабатывания первой ступени ДЗ. Срабатывание ТУ ступени ДЗ |
| 4.2 | Несимметричное трехфазное КЗ с насыщением ТТ-1 в одной из поврежденных фаз (фаза 1) | Предшествующий повреждению режим (не менее 1 с): рабочий режим в соответствии с А.4.1.7. Виды КЗ2): К(1)ф3 + К(1,1)ф1,ф2. Rf = 0,001 Ом. Коэффициент остаточной намагниченности — 0 о.е. | ||
| 5 Проверка работы быстродействующих защит ЛЭП 110 кВ и выше при близких КЗ "за спиной" (точка К1) | ||||
| Проверка отсутствия срабатывания быстродействующих защит ЛЭП 110 кВ и выше при внешнем КЗ (для ДЗ и ТНЗНП - правильная работа ТУ ДЗ и ТУ ТНЗНП соответственно) | 5.1 | КЗ с насыщением ТТ-1 в одной из поврежденных фаз | Предшествующий повреждению режим (не менее 1 с): рабочий режим в соответствии с А.4.1.7. Виды КЗ1): К(1), К(1,1), К(2), К(3). Rf = 0,001 Ом. Отключение выключателя Q1 через 100 мс после возникновения КЗ. Коэффициент остаточной намагниченности — 0 о.е. | Отсутствие срабатывания быстродействующих защит ЛЭП 110 кВ и выше (для ТУ ДЗ и ТУ ТНЗНП срабатывание логики реверса) |
| 5.2 | Междуфазные несимметричные КЗ с насыщением ТТ-1 в одной из поврежденных фаз (фаза 1) | Предшествующий повреждению режим (не менее 1 с): рабочий режим в соответствии с А.4.1.7. Виды КЗ2): К(1)ф1 + К(1,1)ф2,ф3. Rfф1 = 0,001 Ом, Rfф2 = 2 Ом, Rfф3 = 2 Ом. К(2)ф1,ф2 + К(1)ф1. Rfф1,ф2,ф3 = 0,001 Ом. Отключение выключателя Q1 через 100 мс после возникновения КЗ. Коэффициент остаточной намагниченности — 0 о.е. | ||
| 6 Проверка работы быстродействующих защит ЛЭП 110 кВ и выше при переходе внешнего КЗ во внутреннее с насыщением ТТ в одной из фаз (точка К1 → точка К2) | ||||
| Проверка отсутствия срабатывания быстродействующих защит устройств РЗ ЛЭП 110 кВ и выше при внешнем КЗ, проверка срабатывания быстродействующих защит ЛЭП 110 кВ и выше при возникновении внутреннего КЗ; измерение времени срабатывания защиты | 6.1 | По одной фазе с насыщением ТТ при внешнем КЗ | Предшествующий повреждению режим (не менее 1 с): рабочий режим в соответствии с А.4.1.7. Виды КЗ: К(1)ф1 → К(1)ф1. Rfф1 = 0,001 Ом. Время перехода повреждения во внутреннее — 30, 100 мс. Коэффициент остаточной намагниченности — 0 о.е. | Отсутствие срабатывания быстродействующих защит ЛЭП 110 кВ и выше при внешнем КЗ, срабатывание быстродействующих защит ЛЭП 110 кВ и выше при возникновении внутреннего КЗ с временем не более 60 мс. Правильное определение поврежденной фазы (для ТУ ДЗ и ТУ ТНЗНП срабатывание логики реверса при внешнем КЗ, срабатывание ТУ ДЗ и ТУ ТНЗНП при возникновении внутреннего КЗ) |
| 6.2 | По другой фазе с насыщением ТТ при внутреннем КЗ | Предшествующий повреждению режим (не менее 1 с): рабочий режим в соответствии с А.4.1.7. Виды КЗ: К(1)ф1 → К(1)ф2, К(1)ф1 → К(1)ф3. Rfф1 = 0,001 Ом. Время перехода повреждения во внутреннее — 35, 105 мс. Коэффициент остаточной намагниченности — 0 о.е. | ||
| 7 Проверка работы быстродействующих защит ЛЭП 110 кВ и выше при внутреннем КЗ на фоне внешнего в другой фазе с насыщением ТТ в одной из фаз при внутреннем КЗ (точка К1 + точка К2) | ||||
| Проверка отсутствия срабатывания быстродействующих защит ЛЭП 110 кВ и выше при внешнем КЗ, проверка срабатывания быстродействующих защит ЛЭП 110 кВ и выше при возникновении внутреннего КЗ; измерение времени срабатывания защиты при внутреннем КЗ | 7 | Внутреннее КЗ на фоне внешнего в другой фазе с насыщением ТТ в одной из фаз при внутреннем КЗ (точка К1 + точка К2) | Предшествующий повреждению режим (не менее 1 с): рабочий режим в соответствии с А.4.1.7. Виды КЗ: К(1)ф1 + К(1)ф2 (с насыщением ТТ в фазе 2), К(1)ф1 + К(1)ф3 (с насыщением ТТ в фазе 3), К(1)ф1,2 + К(1)ф3 (с насыщением ТТ в фазе 3). Rfф1 = 0,001 Ом. Время возникновения внутреннего КЗ относительно времени возникновения внешнего КЗ - 35, 105 мс. Коэффициент остаточной намагниченности — 0 о.е. | Отсутствие срабатывания быстродействующих защит ЛЭП 110 кВ и выше при внешнем КЗ, срабатывание быстродействующих защит ЛЭП 110 кВ и выше при возникновении внутреннего КЗ с временем не более 60 мс |
| 8 Проверка работы быстродействующих защит ЛЭП 110 кВ и выше при внешнем КЗ (точка К1) с насыщением ТТ в неповрежденной фазе | ||||
| Проверка отсутствия срабатывания быстродействующих защит ЛЭП 110 кВ и выше | 8 | Внешнее КЗ (точка К1) с насыщением ТТ в неповрежденной фазе | Предшествующий повреждению режим: передача мощности отсутствует (угол ЭС1 равен 0). Виды КЗ1): К(1), К(1,1). Rfф1 = 0,001 Ом. Отключение выключателя Q1 через 100 мс после возникновения КЗ. Коэффициент остаточной намагниченности - 0,86 о.е. | Проверка отсутствия срабатывания быстродействующих защит ЛЭП 110 кВ и выше |
| Примечание — Символом "→" показан переход одного вида КЗ в другой; символом "+" представлена одновременность видов КЗ. 1) При однофазном КЗ (К(1)) необходимо рассматривать разное сочетание замкнувшихся фаз: К(1)ф1, К(1)ф2, К(1)ф3; при двухфазном КЗ на землю (К(1,1)) — разное сочетание замкнувшихся фаз: К(1,1)ф1,ф2, К(1,1)ф2,ф3, К(1,1)ф3,ф1; при двухфазном КЗ (К(2)) — разное сочетание замкнувшихся фаз: К(2)ф1,ф2, К(2)ф2,ф3, К(2)ф3,ф1. 2) КЗ возникают одновременно. | ||||
А.5 Методика проведения функциональных испытаний устройств релейной защиты и автоматики, реализующих функции релейной защиты ЛЭП 110 кВ и выше, подключенных на сумму ТТ класса точности 5P, 10P
А.5.1 Тестовая модель для проведения функциональных испытаний устройств релейной защиты и автоматики, реализующих функции релейной защиты ЛЭП 110-220 кВ, подключенных на сумму ТТ класса точности 5P, 10P
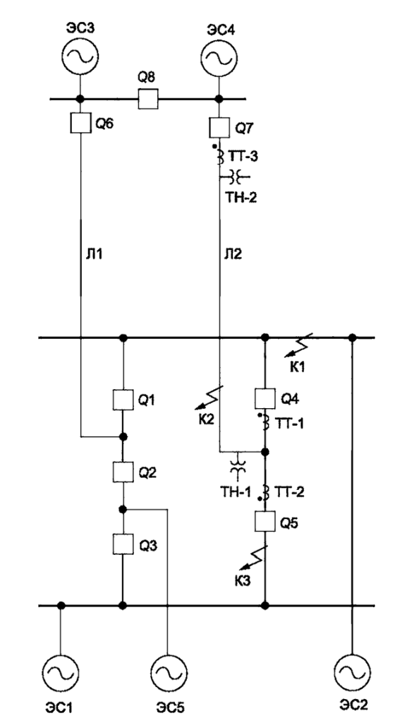
А.5.1.1 Тестовая модель энергосистемы должна быть собрана в соответствии со схемой, приведенной на рисунке А.4.

К — место КЗ; Л1, Л2 — линии электропередачи; ТН-1, ТН-2 — трансформаторы напряжения; ТТ-1, ТТ-2 — трансформаторы тока; ЭС1-ЭС4 — эквивалентные генераторы; Q1-Q8 — выключатели
Рисунок А.4 — Схема тестовой модели энергосистемы
А.5.1.2 Параметры элементов тестовой модели энергосистемы должны соответствовать параметрам, приведенным в таблицах А.8, А.9.
Таблица А.8 — Параметры тестовой схемы модели энергосистемы
| Параметр | Значение |
| Параметры эквивалентных генераторов ЭС1 и ЭС2 | |
| Напряжение, кВ | 220 |
| Сопротивление прямой последовательности, Ом | 0,2 + j12,7 |
| Сопротивление нулевой последовательности, Ом | 0,3 + j14,1 |
| Параметры эквивалентных генераторов ЭС3 и ЭС4 | |
| Напряжение, кВ | 220 |
| Сопротивление прямой последовательности, Ом | 0,27 + j8,5 |
| Сопротивление нулевой последовательности, Ом | 0,27 + j8,5 |
| Параметры эквивалентного генератора ЭС5 | |
| Напряжение, кВ | 220 |
| Сопротивление прямой последовательности, Ом | 1,6 + j25,2 |
| Сопротивление нулевой последовательности, Ом | 2,0 + j27,8 |
| Параметры линий электропередачи | |
| Удельное сопротивление прямой последовательности, Ом/км | 0,079 + j0,416 |
| Удельное сопротивление нулевой последовательности, Ом/км | 0,24 + j1,25 |
| Длина линии, км | 80 |
| Выключатели Q1-Q8 | |
| Сопротивление при включенном состоянии, Ом | 0,001 (или принять равным минимальному значению, устанавливаемому в комплексе моделирования) |
Таблица А.9 — Параметры базовых трансформаторов тока ТТ-1, ТТ-2
| Параметр | Значение |
| Номинальный первичный ток ТТ, А | 2000 |
| Номинальный вторичный ток ТТ, А | 1 |
| Сопротивление вторичной обмотки, Ом | 5 |
| Сопротивление нагрузки (на фазу), Ом | 5 |
| Максимальное значение коэффициента остаточной намагниченности, о.е. | 0,86 |
| Напряжение насыщения, В | 150 |
| Вольт-амперная характеристика (U - I) | |
| Напряжение U, В | 0; 53,7; 107,5; 161,25; 172,0; 182,75; 193,5; 204,25; 212,85; 215 |
| Ток I, А | 0; 0,0046; 0,0093; 0,014; 0,016; 0,019; 0,023; 0,043; 0,095; 0,108 |
А.5.1.3 ТТ-3 должен быть представлен "идеальным" ТТ.
А.5.1.4 ТН-1, ТН-2 должны быть представлены "идеальными" ТН с коэффициентом трансформации 220 кВ/100 В.
А.5.1.5 Токи КЗ и постоянные времени апериодической составляющей тока для параметров тестовой схемы модели энергосистемы в соответствии с данными таблицы А.8 должны соответствовать значениям, приведенным в таблице А.10.
Таблица А.10 — Значения токов КЗ на шинах (К1.1) и постоянных времени апериодической составляющей токов
| Присоединение | I(3), кА | Tа(3), мс | I(1), кА | Tа(1), мс |
| ЭС1 | 10,00 | 200 | 9,60 | 180 |
| ЭС2 | 10,00 | 200 | 9,60 | 180 |
| Л1 | 3,0 | 20 | 2,30 | 20 |
| Л2 | 3,0 | 20 | 2,30 | 20 |
| ЭС5 | 5,0 | 50 | 4,86 | 48 |
| Суммарные значения | 31 | - | 28,66 | - |
А.5.1.6 При проведении испытаний устройств РЗА, реализующих функции РЗ ЛЭП 110-220 кВ, подключенных на сумму токов в ветвях выключателей ЛЭП, необходимо рассматривать КЗ в следующих точках:
- К1.1 — внешнее ("сквозное") КЗ на шинах РУ;
- К1.2 — внешнее ("сквозное") КЗ на ошиновке РУ;
- К1.3 — внешнее КЗ на смежном присоединении (Л2);
- К2.1 — близкое внутреннее КЗ вблизи шин РУ (0% длины линии Л1);
- К2.2 — удаленное внутреннее КЗ (Л1).
А.5.2 Тестовая модель для проведения функциональных испытаний устройств релейной защиты и автоматики, реализующих функции релейной защиты ЛЭП 330 кВ и выше, подключенных на сумму токов в ветвях выключателей ЛЭП
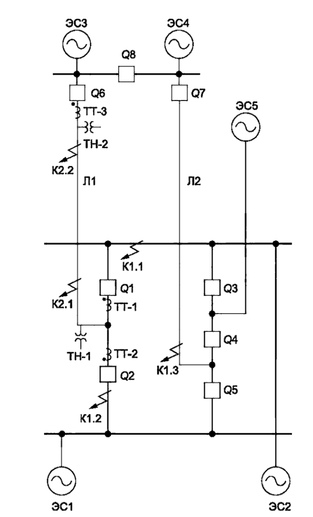
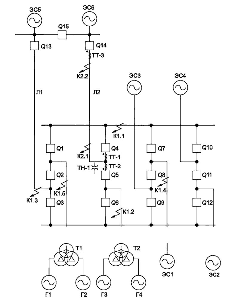
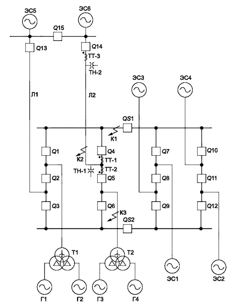
А.5.2.1 Тестовая модель энергосистемы должна быть собрана в соответствии со схемой, приведенной на рисунке А.5.

Г1-Г4 — генераторы; К — место КЗ; Л1, Л2 — линии электропередачи; Т1, Т2 — силовые трансформаторы; ТН-1, ТН-2 — трансформаторы напряжения; ТТ-1, ТТ-2 — трансформаторы тока; ЭС1-ЭС6 — эквивалентные генераторы; Q1-Q15 — выключатели
Рисунок А.5 — Схема тестовой модели энергосистемы
А.5.2.2 Функциональные испытания устройств РЗА, реализующих функции РЗ ЛЭП 330 кВ и выше, подключенных на сумму токов в ветвях выключателей ЛЭП, следует проводить по схеме тестовой модели энергосистемы с варьированием длин Л1, Л2 400 и 20 км.
А.5.2.3 Параметры элементов тестовой модели энергосистемы для длин линий Л1, Л2, равных 400 км (далее — схема 1), должны соответствовать параметрам, приведенным в таблице А.11.
Таблица А.11 — Параметры тестовой схемы модели энергосистемы
| Параметр | Значение |
| Параметры эквивалентных генераторов ЭС1 и ЭС2 | |
| Напряжение, кВ | 500 |
| Сопротивление прямой последовательности, Ом | 0,39 + j40,25 |
| Сопротивление нулевой последовательности, Ом | 0,12 + j11,64 |
| Параметры эквивалентных генераторов ЭС3 и ЭС4 | |
| Напряжение, кВ | 500 |
| Сопротивление прямой последовательности, Ом | 5,08 + j79,84 |
| Сопротивление нулевой последовательности, Ом | 16,74 + j131,44 |
| Параметры эквивалентных генераторов ЭС5 и ЭС6 | |
| Напряжение, кВ | 500 |
| Сопротивление прямой последовательности, Ом | 0,15 + j17,42 |
| Сопротивление нулевой последовательности, Ом | 0,15 + j17,42 |
| Параметры линий электропередачи | |
| Удельное сопротивление прямой последовательности, Ом/км | 0,03 + j0,307 |
| Удельное сопротивление нулевой последовательности, Ом/км | 0,178 + j1,079 |
| Емкостная проводимость прямой последовательности, мкСм/км | 3,73 |
| Емкостная проводимость нулевой последовательности, мкСм/км | 2,88 |
| Протяженность линии, км | 400 |
| Параметры силовых трансформаторов Т1 и Т2 | |
| Напряжение ВН/НН1-НН2, кВ | 525/15,75-15,75 |
| Схема соединения обмоток трансформатора | Y / Δ – Δ |
| Сопротивление обмотки ВН, Ом (приведено к стороне ВН) | 0,17 + j4,31 |
| Сопротивление обмотки НН, Ом (приведено к стороне НН) | 0,000149 + j0,034 |
| Параметры генераторов Г1-Г4 | |
| Напряжение, кВ | 15,75 |
| Сопротивление, Ом (приведено к стороне генераторного напряжения) | 0,00096 + j0,103 |
| Выключатели Q1-Q15 | |
| Сопротивление при включенном состоянии, Ом | 0,001 (или принять равным минимальному значению, устанавливаемому в комплексе моделирования) |
А.5.2.4 Параметры элементов тестовой модели энергосистемы для длин линий Л1, Л2, равных 20 км (далее - схема 2), должны соответствовать параметрам, приведенным в таблице А.12.
Таблица А.12 — Параметры тестовой схемы модели энергосистемы
| Параметр | Значение |
| Параметры эквивалентных генераторов ЭС1-ЭС4 | |
| Напряжение, кВ | 500 |
| Сопротивление прямой последовательности, Ом | 2,28 + j234,00 |
| Сопротивление нулевой последовательности, Ом | 0,72 + j67,65 |
| Параметры эквивалентных генераторов ЭС5 и ЭС6 | |
| Напряжение, кВ | 500 |
| Сопротивление прямой последовательности, Ом | 0,15 + j17,42 |
| Сопротивление нулевой последовательности, Ом | 0,15 + j17,42 |
| Параметры линий электропередачи | |
| Удельное сопротивление прямой последовательности, Ом/км | 0,03 + j0,307 |
| Удельное сопротивление нулевой последовательности, Ом/км | 0,178 + j1,079 |
| Емкостная проводимость прямой последовательности, мкСм/км | 3,73 |
| Емкостная проводимость нулевой последовательности, мкСм/км | 2,88 |
| Протяженность линии, км | 20 |
| Параметры силовых трансформаторов Т1 и Т2 | |
| Напряжение ВН/НН1-НН2, кВ | 525/15,75-15,75 |
| Схема соединения обмоток трансформатора | Y / Δ – Δ |
| Сопротивление обмотки ВН, Ом (приведено к стороне ВН) | 0,17 + j4,31 |
| Сопротивление обмотки НН, Ом (приведено к стороне НН) | 0,000149 + j0,034000 |
| Параметры генераторов Г1-Г4 | |
| Напряжение, кВ | 15,75 |
| Сопротивление, Ом (приведено к стороне генераторного напряжения) | 0,00096 + j0,10300 |
| Выключатели Q1-Q15 | |
| Сопротивление при включенном состоянии, Ом | 0,001 (или принять равным минимальному значению, устанавливаемому в комплексе моделирования) |
А.5.2.5 Параметры трансформаторов тока ТТ-1, ТТ-2 тестовой модели энергосистемы должны соответствовать параметрам, приведенным в таблице А.13.
Таблица А.13 — Параметры базовых трансформаторов тока ТТ-1, ТТ-2
| Параметр | Значение |
| Номинальный первичный ток ТТ, А | 2000 |
| Номинальный вторичный ток ТТ, А | 1 |
| Сопротивление вторичной обмотки, Ом | 10 |
| Сопротивление нагрузки (на фазу), Ом | 6,3 |
| Максимальное значение коэффициента остаточной намагниченности, о.е. | 0,86 |
| Напряжение насыщения, В | 480 |
| Вольт-амперная характеристика (U - I) | |
| Напряжение U, В | 0; 120,0; 240,0; 360,0; 384,0; 408,0; 432; 456; 475,2; 480,0 |
| Ток I, А | 0; 0,0103; 0,0206; 0,0324; 0,0360; 0,0415; 0,0500; 0,0960; 0,2110; 0,2400 |
А.5.2.6 ТТ-3 должен быть представлен "идеальным" ТТ.
А.5.2.7 ТН-1, ТН-2 должны быть представлены "идеальными" ТН с коэффициентом трансформации 500 кВ/100 В.
А.5.2.8 Токи КЗ и постоянные времени апериодической составляющей тока для параметров тестовой схемы модели энергосистемы в соответствии с данными таблицы А.11 должны соответствовать значениям, приведенным в таблице А.14.
Таблица А.14 — Значения токов КЗ на шинах (К1.1) и постоянных времени апериодической составляющей токов
| Присоединение | I(3), кА | Tа(3), мс | I(1), кА | Tа(1), мс |
| Т1 | 3,76 | 330 | 5,31 | 300 |
| Т2 | 3,76 | 330 | 5,31 | 300 |
| ЭС1 | 7,53 | 330 | 10,65 | 300 |
| ЭС2 | 7,53 | 330 | 10,65 | 300 |
| ЭС3 | 3,61 | 53 | 3,35 | 50 |
| ЭС4 | 3,61 | 53 | 3,35 | 50 |
| Л1 | 2,12 | 40 | 1,87 | 40 |
| Л2 | 2,12 | 40 | 1,87 | 40 |
| Суммарные значения | 34 | - | 42,2 | - |
А.5.2.9 Токи КЗ и постоянные времени апериодической составляющей тока для параметров тестовой схемы модели энергосистемы в соответствии с данными таблицы А.12 должны соответствовать значениям, приведенным в таблице А.15.
Таблица А.15 — Значения токов КЗ на шинах (К1.1) и постоянных времени апериодической составляющей токов
| Присоединение | I(3), кА | Tа(3), мс | I(1), кА | Tа(1), мс |
| Т1 | 3,76 | 330 | 5,93 | 278 |
| Т2 | 3,76 | 330 | 5,93 | 278 |
| ЭС1 | 1,29 | 330 | 2,05 | 278 |
| ЭС2 | 1,29 | 330 | 2,05 | 278 |
| ЭС3 | 1,29 | 330 | 2,05 | 278 |
| ЭС4 | 1,29 | 330 | 2,05 | 278 |
| Л1 | 12,25 | 103 | 11,03 | 93 |
| Л2 | 12,25 | 103 | 11,03 | 93 |
| Суммарные значения | 37,18 | - | 42,1 | - |
А.5.2.10 При проведении испытаний устройств РЗА, реализующих функции РЗ ЛЭП 330 кВ и выше, подключенных на сумму токов в ветвях выключателей ЛЭП, необходимо рассматривать КЗ в следующих точках:
- К1.1 — внешнее ("сквозное") КЗ на шинах РУ;
- К1.2 — внешнее КЗ на ошиновке РУ (на присоединении Т2);
- К1.3 — внешнее КЗ на смежном присоединении (Л1);
- К1.4 — внешнее КЗ на смежном присоединении (ЭС1);
- К1.5 — внешнее КЗ на смежном присоединении (Т1);
- К2.1 — близкое внутреннее КЗ вблизи шин РУ (0% длины линии Л2);
- К2.2 — удаленное внутреннее КЗ (Л2).
А.5.3 Функциональные испытания устройств релейной защиты и автоматики, реализующих функции ДЗ и ТНЗНП, подключенных на сумму токов в ветвях выключателей ЛЭП
А.5.3.1 Проведение функциональных испытаний устройств РЗА, реализующих функции ДЗ и ТНЗНП ЛЭП 110-220 кВ
а) Функциональные испытания устройств РЗА, реализующих функции ДЗ и ТНЗНП ЛЭП 110-220 кВ, необходимо проводить на тестовой модели энергосистемы, созданной в соответствии с требованиями, указанными в А.5.1.
б) Быстродействующие защиты ЛЭП 110 кВ и выше должны быть подключены: цепи тока к ТТ-1 и ТТ-2, цепи напряжения — к ТН-1.
в) Программа проведения функциональных испытаний устройств РЗА, реализующих функции ДЗ и ТНЗНП ЛЭП 110-220 кВ, приведена в таблице А.16.
А.5.3.2 Проведение функциональных испытаний устройств РЗА, реализующих функции ДЗ и ТНЗНП ЛЭП 330 кВ и выше
а) Функциональные испытания устройств РЗА, реализующих функции ДЗ и ТНЗНП ЛЭП 330 кВ и выше, необходимо проводить на тестовой модели энергосистемы, созданной в соответствии с требованиями, указанными в А.5.2.
б) Быстродействующие защиты ЛЭП 110 кВ и выше должны быть подключены: цепи тока к ТТ-1 и ТТ-2, цепи напряжения — к ТН-1.
в) Программа проведения функциональных испытаний устройств РЗА, реализующих функции ДЗ и ТНЗНП ЛЭП 330 кВ и выше, приведена в таблице А.16.
А.5.4 Функциональные испытания устройств релейной защиты и автоматики, реализующих функции ДЗЛ, подключенных на сумму токов в ветвях выключателей ЛЭП
А.5.4.1 Проведение функциональных испытаний устройств РЗА, реализующих функции ДЗЛ ЛЭП 110-220 кВ
а) Функциональные испытания устройств РЗА, реализующих функции ДЗЛ ЛЭП 110-220 кВ, необходимо проводить на тестовой модели энергосистемы, созданной в соответствии с требованиями, указанными в А.5.1.
б) Быстродействующие защиты ЛЭП 110 кВ и выше должны быть подключены к ТТ-1 и ТТ-2 со стороны РУ рассматриваемого объекта, к ТТ-3 — на противоположном конце ЛЭП.
в) Программа проведения функциональных испытаний устройств РЗА, реализующих функции ДЗЛ ЛЭП 110-220 кВ, приведена в таблице А.16.
А.5.4.2 Проведение функциональных испытаний устройств РЗА, реализующих функции ДЗЛ ЛЭП 330 кВ и выше
а) Функциональные испытания устройств РЗА, реализующих функции ДЗЛ ЛЭП 330 кВ и выше, необходимо проводить на тестовой модели энергосистемы, созданной в соответствии с требованиями, указанными в А.5.2.
б) Быстродействующие защиты ЛЭП 110 кВ и выше должны быть подключены к ТТ-1 и ТТ-2 со стороны РУ рассматриваемого объекта, к ТТ-3 — на противоположном конце ЛЭП.
в) Программа проведения функциональных испытаний устройств РЗА, реализующих функции ДЗЛ ЛЭП 330 кВ и выше, приведена в таблице А.16.
А.5.5 Функциональные испытания устройств релейной защиты и автоматики, реализующих функции ДФЗ, подключенных на сумму токов в ветвях выключателей ЛЭП
А.5.5.1 Проведение функциональных испытаний устройств РЗА, реализующих функции ДФЗ ЛЭП 110-220 кВ
а) Функциональные испытания устройств РЗА, реализующих функции ДФЗ ЛЭП 110-220 кВ, необходимо проводить на тестовой модели энергосистемы, созданной в соответствии с требованиями, указанными в А.5.1.
б) Быстродействующие защиты ЛЭП 110 кВ и выше должны быть подключены к ТТ-1 и ТТ-2 со стороны РУ рассматриваемого объекта, к ТТ-3 — на противоположном конце ЛЭП.
в) Программа проведения функциональных испытаний устройств РЗА, реализующих функции ДФЗ ЛЭП 110-220 кВ, приведена в таблице А.16.
А.5.5.2 Проведение функциональных испытаний устройств РЗА, реализующих функции ДФЗ ЛЭП 330 кВ и выше
а) Функциональные испытания устройств РЗА, реализующих функции ДФЗ ЛЭП 330 кВ и выше, необходимо проводить на тестовой модели энергосистемы, созданной в соответствии с требованиями, указанными в А.5.2.
б) Быстродействующие защиты ЛЭП 110 кВ и выше должны быть подключены к ТТ-1 и ТТ-2 со стороны РУ рассматриваемого объекта, к ТТ-3 — на противоположном конце ЛЭП.
в) Программа проведения функциональных испытаний устройств РЗА, реализующих функции ДФЗ ЛЭП 330 кВ и выше, приведена в таблице А.16.
А.5.6 Функциональные испытания устройств релейной защиты и автоматики, реализующих функции НВЧЗ ЛЭП 110-220 кВ, подключенных на сумму токов в ветвях выключателей ЛЭП
А.5.6.1 Функциональные испытания устройств РЗА, реализующих функции НВЧЗ ЛЭП 110-220 кВ, необходимо проводить на тестовой модели энергосистемы, созданной в соответствии с требованиями, указанными в А.5.1.
А.5.6.2 Быстродействующие защиты ЛЭП 110 кВ и выше должны быть подключены к ТТ-1 и ТТ-2 со стороны РУ рассматриваемого объекта, к ТТ-3 — на противоположном конце ЛЭП.
А.5.6.3 Программа проведения функциональных испытаний устройств РЗА, реализующих функции НВЧЗ ЛЭП 110-220 кВ, приведена в таблице А.16.
Таблица А.16 — Программа проведения функциональных испытаний быстродействующих защит ЛЭП 110 кВ и выше
| Цель испытаний | № испытания | Описание | Исходная схема, режим, вид возмущения | Правильное действие устройств РЗ |
| 1 Проверка работы быстродействующих защит ЛЭП 110 кВ и выше при близких КЗ в прямом направлении (точка К2.1) | ||||
| Проверка срабатывания быстродействующих защит ЛЭП 110 кВ и выше; измерение времени срабатывания защиты [далее - проверка корректной работы избирателя/селектора поврежденных фаз (для ДЗ, ТНЗНП, ДФЗ, ДЗЛ, ТУ ДЗ и ТУ ТНЗНП ЛЭП 330 кВ и выше); проверка корректного выбора поврежденной фазы функцией ДЗ (для ДЗ и ТУ ДЗ ЛЭП 110 кВ и выше)] | 1.1 | КЗ с насыщением одного из ТТ в цепи выключателей (ТТ-1) в одной из поврежденных фаз | Схема распределительного устройства: - для быстродействующих защит ЛЭП 110-220 кВ: нормальная; - для быстродействующих защит ЛЭП 330 кВ и выше: схема 1, ремонтная (выключатель Q5 отключен). Виды КЗ1): К(1), К(1,1), К(2), К(3). Rf = 0,001 Ом. Коэффициент остаточной намагниченности: 0,86 о.е. (совпадает по знаку со знаком апериодической составляющей тока КЗ) | Срабатывание быстродействующих защит ЛЭП 110 кВ и выше с временем не более указанного в технической документации на устройство РЗ. Правильное определение поврежденной(ых) фазы (фаз) |
| 1.2 | Между фазные несимметричные КЗ с насыщением ТТ-1 в одной из поврежденных фаз | Схема распределительного устройства: а) для быстродействующих защит ЛЭП 110-220 кВ: 1) нормальная схема, 2) ремонтная схема (выключатель Q2 отключен); б) для быстродействующих защит ЛЭП 330 кВ и выше (схема 1): 1) нормальная схема, 2) ремонтная схема (выключатель Q5 отключен). Виды КЗ2): К(1)ф1 + К(1,1)ф2,ф3, Rfф1 = 0,001 Ом, Rfф12 = 2 Ом, Rfф3 = 2 Ом. К(2)ф1,ф2 + К(1)ф3, Rfф1,ф2,ф3 = 0,001 Ом. Коэффициент остаточной намагниченности: 0,86 о.е. (совпадает по знаку со знаком апериодической составляющей тока КЗ) | ||
| 2 Проверка работы быстродействующих защит ЛЭП 110 кВ и выше при удаленных внутренних КЗ (точка К2.2, 75% от шин РУ) без насыщения ТТ с направлением токов в ветвях выключателей, характерном для режимов внешних (сквозных) КЗ | ||||
| Проверка срабатывания быстродействующих защит ЛЭП 110 кВ и выше; измерение времени срабатывания защиты | 2.1 | Проверка работы быстродействующих защит ЛЭП 110 кВ и выше при удаленных внутренних КЗ без насыщения ТТ с направлением токов в ветвях выключателей, характерным для режимов внешних (сквозных) КЗ | Схема распределительного устройства: - для быстродействующих защит ЛЭП 110-220 кВ ремонтная (Q4 отключен, эквивалентный генератор ЭС1 отключен); - для быстродействующих защит ЛЭП 330 кВ и выше (схема 1): ремонтная (Q2, Q9, Q12 отключены); - для быстродействующих защит ЛЭП 330 кВ и выше (схема 2): ремонтная (Q2, Q9, Q12 отключены), питание от блока Т2-Г, от ЭС5, ЭС6 отсутствует. Виды КЗ1): К(1), К(3). Rf = 0,001 Ом. | Срабатывание быстродействующих защит ЛЭП 110 кВ и выше3) со временем не более указанного в технической документации на устройство РЗ. Правильное определение поврежденной фазы |
| 3 Проверка работы быстродействующих защит ЛЭП 110 кВ и выше при близком внешнем ("за спиной") КЗ (точка К1.1) | ||||
| Проверка отсутствия срабатывания быстродействующих защит ЛЭП 110 кВ и выше при внешнем КЗ (для ДЗ и ТНЗНП — правильная работа ТУ ДЗ и ТУ ТНЗНП соответственно) | 3.1 | КЗ с насыщением одного из ТТ в цепи выключателей (моделируются режимы как с насыщением ТТ-1, обтекаемого большим током, так и с насыщением ТТ-2, обтекаемого меньшим током) в одной из поврежденных фаз | Схема распределительного устройства: а) для быстродействующих защит ЛЭП а) 110-220 кВ: ремонтная схема, соответствующая максимальному току сквозного КЗ (выключатель Q3 отключен); б) для быстродействующих защит ЛЭП б) 330 кВ и выше (схема 1): 1) ремонтная схема, соответствующая максимальному току сквозного КЗ (выключатели Q1, Q7, Q10 отключены); 2) ремонтная схема, в которой ТТ обтекаются током КЗ от блока "генератор-трансформатор" (Т1 - Г1, Г2) с большой постоянной времени апериодической составляющей (выключатель Q6 отключен); в) для быстродействующих защит ЛЭП в) 330 кВ и выше (схема 2): ремонтная схема, соответствующая максимальному току сквозного КЗ на односторонне включенной ЛЭП (выключатели Q1, Q7, Q10, Q14 отключены). Виды КЗ1): К(1), К(1,1), К(2), К(3). Rf = 0,001 Ом. Время отключения внешнего КЗ через 100 мс после его возникновения. Коэффициент остаточной намагниченности: 0,86 о.е. (совпадает по знаку со знаком апериодической составляющей тока КЗ) | Отсутствие срабатывания быстродействующих защит ЛЭП 110 кВ и выше (для ТУ ДЗ и ТУ ТНЗНП срабатывание логики реверса) |
| 3.2 | Развивающиеся КЗ с насыщением ТТ-1 в одной из поврежденных фаз после возникновения второго повреждения | Схема распределительного устройства: а) для быстродействующих защит ЛЭП 110-220 кВ: ремонтная схема, соответствующая максимальному току сквозного КЗ (выключатель Q3 отключен); б) для быстродействующих защит ЛЭП 330 кВ и выше (схема 1): 1) ремонтная схема, соответствующая максимальному току сквозного КЗ (выключатели Q1, Q7, Q10 отключены); 2) ремонтная схема, в которой ТТ обтекаются током КЗ от блока "генератор-трансформатор" (Т1 - Г1, Г2) с большой постоянной времени апериодической составляющей (выключатель Q6 отключен). Виды КЗ: К(1)ф1 + К(1)ф2, К(1)ф1 + К(1,1)ф2,ф3. Rf = 0,001 Ом. Время возникновения второго повреждения относительно первого: 35, 105 мс. Время отключения внешнего КЗ через 100 мс после его возникновения. Коэффициент остаточной намагниченности: 0,86 о.е. (совпадает по знаку со знаком апериодической составляющей тока КЗ) | ||
| Проверка отсутствия срабатывания быстродействующих защит ЛЭП 110 кВ и выше при внешнем КЗ (для ДЗ и ТНЗНП — правильная работа ТУ ДЗ и ТУ ТНЗНП соответственно) | 3.3 | Междуфазные несимметричные КЗ с насыщением ТТ-1 в одной из поврежденных фаз | Схема распределительного устройства: а) для быстродействующих защит ЛЭП 110-220 кВ: ремонтная схема, соответствующая максимальному току сквозного КЗ (выключатель Q3 отключен); б) для быстродействующих защит ЛЭП 330 кВ и выше (схема 1): 1) ремонтная схема, соответствующая максимальному току сквозного КЗ (выключатели Q1, Q7, Q10 отключены); 2) ремонтная схема, в которой ТТ обтекаются током КЗ от блока "генератор-трансформатор" (Т1-Г1, Г2) с большой постоянной времени апериодической составляющей (выключатель Q6 отключен). Виды КЗ: К(1)ф1 + К(1,1)ф2,ф3 6, 6, К(2)ф1,ф2 + К(1)ф3 6, 6. Переходное сопротивление в месте КЗ: К(1)ф1 + К(1,1)ф2,ф3, Rf = 0,001 Ом (фаза 1)/2 Ом (фазы 2, 3), К(2)ф1,ф2 + К(1)ф3, Rf = 0,001 Ом (фазы 1, 2)/0,001 Ом (фаза 3). Время отключения внешнего КЗ через 100 мс после его возникновения. Коэффициент остаточной намагниченности: 0,86 о.е. (совпадает по знаку со знаком апериодической составляющей тока КЗ) | Отсутствие срабатывания быстродействующих защит ЛЭП 110 кВ и выше (для ТУ ДЗ и ТУ ТНЗНП срабатывание логики реверса) |
| 3.4 | КЗ на землю при протекании в цепи выключателей преимущественно токов нулевой последовательности с насыщением ТТ-1 в одной из поврежденных фаз | Схема распределительного устройства (для быстродействующих защит ЛЭП 330 кВ и выше (схема 1): ремонтная (выключатель Q6 отключен, трансформатор Т1 работает в режиме холостого хода, питание с противоположного конца ЛЭП отсутствует — выключатель Q14 отключен). Виды КЗ: К(1), К(1)ф1 + К(1)ф2 (с насыщением ТТ в фазе 2), К(1)ф1 + К(1,1)ф2,ф3 (с насыщением ТТ в фазе 1). Время возникновения второго повреждения относительно первого: 25 мс (для К(1)ф1 + К(1)ф2, К(1)ф1 + К(1,1)ф2,ф3). Переходное сопротивление в месте КЗ: 0,001 Ом. Время отключения внешнего КЗ через 100 мс после его возникновения. Коэффициент остаточной намагниченности: 0,86 о.е. (совпадает по знаку со знаком апериодической составляющей тока КЗ) | ||
| 4 Проверка работы быстродействующих защит ЛЭП 110 кВ и выше при внешних ("за спиной") КЗ на смежном присоединении (с остаточным фазным напряжением в месте установки защиты не менее 10%) (точка К1.3, на расстоянии 5 км от шин РУ) | ||||
| Проверка отсутствия срабатывания быстродействующих защит ЛЭП 110 кВ и выше (для ДЗ и ТНЗНП — правильная работа ТУ ДЗ и ТУ ТНЗНП соответственно) | 4.1 | КЗ с насыщением одного из ТТ в цепи выключателей (моделируются режимы как с насыщением ТТ-2, обтекаемого большим током, так и с насыщением ТТ-1, обтекаемого меньшим током) в одной из поврежденных фаз | Схема распределительного устройства: - для быстродействующих защит ЛЭП 110-220 кВ ремонтная схема (выключатель Q4 отключен); - для быстродействующих защит 330 кВ и выше (схема 1): ремонтная схема, соответствующая максимальному току сквозного КЗ (выключатели Q2, Q9, Q12 отключены). Виды КЗ: К(1), К(1,1), К(2), К(3). Переходное сопротивление в месте КЗ: 0,001 Ом. Время отключения внешнего КЗ через 100 мс после его возникновения. Коэффициент остаточной намагниченности: 0,86 о.е. (совпадает по знаку со знаком апериодической составляющей тока КЗ) | Отсутствие срабатывания быстродействующих защит ЛЭП 110 кВ и выше (для ТУ ДЗ и ТУ ТНЗНП срабатывание логики реверса) |
| 5 Проверка работы быстродействующих защит ЛЭП 110 кВ и выше при близких внешних ("за спиной") КЗ с изменением значений/направлений токов в ветвях выключателей при каскадном отключении повреждения (смежного присоединения) | ||||
| Проверка отсутствия срабатывания быстродействующих защит ЛЭП 110 кВ и выше (для ДЗ и ТНЗНП — правильная работа ТУ ДЗ и ТУ ТНЗНП соответственно) | 5.1 | КЗ с увеличением тока в ветвях выключателей при каскадном отключении КЗ на шинах с насыщением ТТ-1 в одной из поврежденных фаз | Схема распределительного устройства для быстродействующих защит ЛЭП 330 кВ и выше (схема 1) — нормальная. Последовательность моделирования режима: - КЗ в точке К1.1; - отключение выключателей Q1, Q7, Q10 через 60 мс после возникновения КЗ. Виды КЗ: К(1), К(3). Отключение Q4 через 100 мс после возникновения КЗ. Переходное сопротивление в месте КЗ: 0,001 Ом. Коэффициент остаточной намагниченности: 0,86 о.е. (совпадает по знаку со знаком апериодической составляющей тока КЗ) | Отсутствие срабатывания быстродействующих защит ЛЭП 110 кВ и выше (для ТУ ДЗ и ТУ ТНЗНП срабатывание логики реверса) |
| 5.2 | КЗ с изменением значения и направлений токов в ветвях обоих выключателей при каскадном отключении смежного присоединения с насыщением ТТ-1 в одной из поврежденных фаз | Схема распределительного устройства для быстродействующих защит ЛЭП 330 кВ и выше (схема 1) — ремонтная (выключатели Q8, Q10 отключены). Последовательность моделирования режима: - КЗ в точке К1.5; - отключение выключателя Q1 — через 60 мс после возникновения КЗ. Виды КЗ: К(1), К(3). Отключение Q2 через 100 мс после возникновения КЗ. Переходное сопротивление в месте КЗ: 0,001 Ом. Коэффициент остаточной намагниченности: 0,86 о.е. (совпадает по знаку со знаком апериодической составляющей тока КЗ) | ||
| Проверка отсутствия срабатывания быстродействующих защит ЛЭП 110 кВ и выше (для ДЗ и ТНЗНП - правильная работа ТУ ДЗ и ТУ ТНЗНП соответственно) | 5.3 | КЗ с изменением направлений токов в ветвях обоих выключателей при каскадном отключении смежного присоединения с насыщением ТТ-1 в одной из поврежденных фаз | Схема распределительного устройства для быстродействующих защит ЛЭП 330 кВ и выше (схема 2) — ремонтная, питание с противоположного конца линии отсутствует (выключатели Q2, Q12, Q14 отключены). Последовательность моделирования режима: - КЗ в точке К1.4; - отключение выключателя Q7 через 60 мс после возникновения КЗ. Виды КЗ: К(1), К(3). Отключение Q8 — через 100 мс после возникновения КЗ. Переходное сопротивление в месте КЗ: 0,001 Ом. Коэффициент остаточной намагниченности: 0,86 о.е. (совпадает по знаку со знаком апериодической составляющей тока КЗ) | Отсутствие срабатывания быстродействующих защит ЛЭП 110 кВ и выше (для ТУ ДЗ и ТУ ТНЗНП срабатывание логики реверса) |
| 5.4 | КЗ с изменением направления тока в ветви одного выключателя при каскадном отключении смежного присоединения с насыщением ТТ-2 в одной из поврежденных фаз | Схема распределительного устройства для быстродействующих защит ЛЭП 330 кВ и выше (схема 2) — ремонтная, ЭС5 и ЭС6 работают раздельно (выключатели Q9, Q12, Q15 отключены). Последовательность моделирования режима: - КЗ в точке К1.3 (на расстоянии 0% от шин РУ); - отключение выключателя Q2 — через 60 мс после возникновения КЗ. Виды КЗ: К(1), К(3). Отключение Q3, Q13 — через 100 мс после возникновения КЗ. Переходное сопротивление в месте КЗ: 0,001 Ом. Коэффициент остаточной намагниченности: 0,86 о.е. (совпадает по знаку со знаком апериодической составляющей тока КЗ) | ||
| 5.5 | Схема распределительного устройства для быстродействующих защит ЛЭП 330 кВ и выше (схема 2) — ремонтная (выключатели Q3, Q8, Q11 отключены). Последовательность моделирования режима: - КЗ в точке К1.3 (на расстоянии 75% от шин РУ); - отключение выключателя Q2 через 60 мс после возникновения КЗ. Виды КЗ: К(1), К(3). Отключение Q3, Q13 — через 100 мс после возникновения КЗ. Переходное сопротивление в месте КЗ: 0,001 Ом. Коэффициент остаточной намагниченности: 0,86 о.е. (совпадает по знаку со знаком апериодической составляющей тока КЗ) | |||
| Проверка отсутствия срабатывания быстродействующих защит ЛЭП 110 кВ и выше (для ДЗ и ТНЗНП - правильная работа ТУ ДЗ и ТУ ТНЗНП соответственно) | 5.6 | КЗ с изменением значения и направлений токов в ветвях обоих выключателей при каскадном отключении смежного присоединения с насыщением ТТ-1 в одной из поврежденных фаз | Схема распределительного устройства (для быстродействующих защит ЛЭП 110-220 кВ) — нормальная. Последовательность моделирования режима: - КЗ в точке К1.3, на расстоянии 0% от шин РУ; - отключение выключателя Q5 — через 100 мс после возникновения КЗ. Виды КЗ: К(1), К(3). Отключение Q2, Q3, Q13 через 100 мс после возникновения КЗ. Переходное сопротивление в месте КЗ: 0,001 Ом. Коэффициент остаточной намагниченности: 0,86 о.е. (совпадает по знаку со знаком апериодической составляющей тока КЗ) | Отсутствие срабатывания быстродействующих защит ЛЭП 110 кВ и выше (для ТУ ДЗ и ТУ ТНЗНП срабатывание логики реверса) |
| 6 Проверка работы быстродействующих защит ЛЭП 110 кВ и выше при переходе внешнего КЗ во внутреннее с насыщением ТТ в одной из фаз (точка К1.2 → точка К2.1) | ||||
| Проверка отсутствия срабатывания быстродействующих защит ЛЭП 110 кВ и выше при внешнем КЗ, проверка срабатывания быстродействующих защит ЛЭП 110 кВ и выше при возникновении внутреннего КЗ; измерение времени срабатывания защиты | 6.1 | КЗ в одной фазе с насыщением ТТ-2 при внешнем КЗ | Схема распределительного устройства: - для быстродействующих защит ЛЭП 110-220 кВ — нормальная; - для быстродействующих 330 кВ и выше (схема 1) — ремонтная (выключатель Q6 отключен). Виды КЗ: К(1)ф1 → К(1)ф1. Время перехода повреждения во внутреннее: 30, 100 мс. Переходное сопротивление в месте КЗ: 0,001 Ом. Коэффициент остаточной намагниченности: 0,86 о.е. (совпадает по знаку со знаком апериодической составляющей тока КЗ) | Отсутствие срабатывания быстродействующих защит ЛЭП 110 кВ и выше при внешнем КЗ, срабатывание быстродействующих защит ЛЭП 110 кВ и выше при возникновении внутреннего КЗ со временем не более 60 мс. Правильное определение поврежденной фазы (для ТУ ДЗ и ТУ ТНЗНП срабатывание логики реверса при внешнем КЗ, срабатывание ТУ ДЗ и ТУ ТНЗНП при возникновении внутреннего КЗ) |
| 6.2 | КЗ в разных фазах с насыщением ТТ-2 при внутреннем КЗ | Схема распределительного устройства: - для быстродействующих защит ЛЭП 110-220 кВ — нормальная; - для быстродействующих 330 кВ и выше (схема 2) — ремонтная (выключатель Q6 отключен). Виды КЗ: К(1)ф1 → К(1)ф2, К(1)ф1 → К(1)ф3. Время перехода повреждения во внутреннее: 35, 105 мс. Переходное сопротивление в месте КЗ: 0,001 Ом. Коэффициент остаточной намагниченности: 0,86 о.е. (совпадает по знаку со знаком апериодической составляющей тока КЗ) | ||
| 7 Проверка работы быстродействующих защит ЛЭП 110 кВ и выше при внутренних КЗ на фоне внешнего в другой фазе с насыщением ТТ в одной из фаз при внутреннем КЗ (точка К1.2 + точка К2.1) | ||||
| Проверка отсутствия срабатывания быстродействующих защит ЛЭП 110 кВ и выше при внешнем КЗ, проверка срабатывания быстродействующих защит ЛЭП 110 кВ и выше при возникновении внутреннего КЗ; измерение времени срабатывания защиты | 7.1 | Внутреннее КЗ на фоне внешнего в другой фазе с насыщением ТТ в одной из фаз при внутреннем КЗ (точка К1.2 + точка К2.1) | Схема распределительного устройства: - для быстродействующих защит ЛЭП 110-220 кВ — нормальная; - для быстродействующих 330 кВ и выше (схема 1) — нормальная. Виды КЗ: К(1)ф1 + К(1)ф2 (с насыщением ТТ в фазе 2), К(1,1)ф1,2 + К(1)ф3 (с насыщением ТТ в фазе 3). Время возникновения внутреннего повреждения относительно внешнего: 35, 105 мс. Переходное сопротивление в месте КЗ: 0,001 Ом. Коэффициент остаточной намагниченности: 0,86 о.е. (совпадает по знаку со знаком апериодической составляющей тока КЗ) | Отсутствие срабатывания быстродействующих защит ЛЭП 110 кВ и выше при внешнем КЗ, срабатывание быстродействующих защит ЛЭП 110 кВ и выше при возникновении внутреннего КЗ со временем не более 60 мс. Правильное определение поврежденной фазы (для ТУ ДЗ и ТУ ТНЗНП срабатывание логики реверса при внешнем КЗ, срабатывание ТУ ДЗ и ТУ ТНЗНП при возникновении внутреннего КЗ) |
| 8 Проверка работы устройств РЗ ЛЭП 110 кВ и выше при внешних КЗ (точка К1.1) с насыщением трансформатора тока ТТ-1 в неповрежденной фазе (за счет перераспределения токов во вторичных цепях группы ТТ, соединенных по схеме "звезда") | ||||
| Проверка отсутствия срабатывания быстродействующих защит ЛЭП 110 кВ и выше (для ДЗ и ТНЗНП - правильная работа ТУ ДЗ и ТУ ТНЗНП соответственно) | 8.1 | Внешнее КЗ (точка К1.1) с насыщением ТТ-1 в неповрежденной фазе (за счет перераспределения токов во вторичных цепях группы ТТ, соединенных по схеме "звезда") | Схема распределительного устройства: - для быстродействующих защит ЛЭП 110-220 кВ — ремонтная (выключатель Q3 отключен); - для быстродействующих 330 кВ и выше (схема 1) — ремонтная (выключатели Q1, Q7, Q10 отключены). Виды КЗ: К(1), К(1,1). Время отключения внешнего КЗ — через 100 мс после его возникновения. Переходное сопротивление в месте КЗ: 0,001 Ом. Коэффициент остаточной намагниченности: 0,86 о.е. (совпадает по знаку со знаком апериодической составляющей тока поврежденной фазы) | Отсутствие срабатывания быстродействующих защит ЛЭП 110 кВ и выше (для ТУ ДЗ и ТУ ТНЗНП срабатывание логики реверса) |
| Примечание — Символом "→" показан переход одного вида КЗ в другой; символом "+" представлена одновременность видов КЗ. 1) При К(1) необходимо рассматривать разное сочетание замкнувшихся фаз: К(1)ф1, К(1)ф2, К(1)ф3; при К(1,1) — разное сочетание замкнувшихся фаз: К(1,1)ф1,ф2, К(1,1)ф2,ф3, К(1,1)ф3,ф1; при К(2) — разное сочетание замкнувшихся фаз: К(2)ф1,ф2, К(2)ф2,ф3, К(2)ф3,ф1. 2) КЗ возникают одновременно. 3) Для ТНЗНП отсутствие срабатывания блокировки при внешних КЗ (при наличии такой блокировки). | ||||
А.6 Методика проведения функциональных испытаний устройств релейной защиты и автоматики, реализующих функции релейной защиты ЛЭП 110 кВ и выше, подключенных к ТТ ЛЭП класса точности 5PR, 10PR, TPY, TPZ
А.6.1 Тестовая модель для проведения функциональных испытаний устройств релейной защиты и автоматики, реализующих функции релейной защиты ЛЭП 110-220 кВ, подключенных к ТТ ЛЭП класса точности 5PR, 10PR, TPY, TPZ.
А.6.1.1 Тестовая модель энергосистемы должна быть собрана в соответствии со схемой, приведенной на рисунке А.6.

ЭС1-ЭС2 — эквивалентные генераторы; ПС1-ПС2 — подстанции; Л1-Л2 — линии электропередачи; К1-К4 — места КЗ; ТН-1, ТН-2 — трансформаторы напряжения; ТТ-1-ТТ-2 — трансформаторы тока; Q1-Q4 — выключатели
Рисунок А.6 — Схема тестовой модели энергосистемы
А.6.1.2 Устройства РЗ должны подключаться: на ПС1 — к ТТ-1 и ТН-1; на ПС-2 — к ТТ-2 и ТН-2.
А.6.1.3 Параметры элементов тестовой модели энергосистемы должны соответствовать параметрам, приведенным в таблицах А.17, А.18.
Таблица А.17 — Параметры элементов тестовой схемы модели энергосистемы
| Параметр | Значение |
| Параметры эквивалентного генератора ЭС1 | |
| Номинальное напряжение, кВ | 220 |
| Сопротивление прямой последовательности, Ом | 0,135 + j8,48 |
| Сопротивление нулевой последовательности, Ом | 0,336 + j21,1 |
| Угол φ, град | 4,58 |
| Параметры эквивалентного генератора ЭС2 | |
| Номинальное напряжение, кВ | 220 |
| Сопротивление прямой последовательности, Ом | 0,068 + j4,25 |
| Сопротивление нулевой последовательности, Ом | 0,138 + j8,69 |
| Угол φ, град | 0 |
| Параметры линий Л1, Л2 | |
| Удельное сопротивление прямой последовательности, Ом/км | 0,079 + j0,416 |
| Удельное сопротивление нулевой последовательности, Ом/км | 0,24 + j1,25 |
| Длина линии, км | 10 |
| Выключатели Q1-Q4 | |
| Сопротивление во включенном состоянии, Ом | 0,001 (или принять равным минимальному значению, которое может быть установлено в применяемом комплексе моделирования) |
Таблица А.18 — Параметры базовых трансформаторов тока ТТ-1, ТТ-2
| Параметр | Значение |
| Номинальный первичный ток ТТ, А | 1000 |
| Номинальный вторичный ток ТТ, А | 1 |
| Сопротивление вторичной обмотки, Ом | 5 |
| Сопротивление нагрузки (на фазу), Ом | 5 |
| Площадь поперечного сечения, м2 | 0,000347 |
| Длина средней линии, м | 0,075 |
| Длина воздушного зазора, м | 0 |
| Характеристика намагничивания стали | |
| Магнитная индукция (В), Тл | 0; 0,500; 1,000; 1,500; 1,950; 1,955 |
| Напряженность поля (Н), А/м | 0; 9; 18; 30; 50; 100 |
А.6.1.4 ТН-1, ТН-2 должны быть представлены "идеальными" ТН с коэффициентом трансформации 220 кВ/100 В.
А.6.1.5 ТТ-1, ТТ-2 представлены тестовыми ТТ c коэффициентами трансформации 1000/1, параметры которых рассчитывают для каждого режима в соответствии с методикой, приведенной в А.2.4. Параметры базового ТТ, на основе которых выполняют расчет параметров тестовых ТТ, приведены в таблице А.18.
А.6.1.6 Токи КЗ и постоянные времени апериодической составляющей тока в месте установки устройств РЗ для параметров тестовой схемы модели энергосистемы в соответствии с таблицей А.17 должны составлять значения, приведенные в таблице А.19.
Таблица А.19 — Значения токов, протекающих через ТТ-1 при КЗ (=0,001 Ом), и постоянных времени апериодической составляющей токов
| Точка КЗ | I(3), кА | Tа(3), мс | I(1), кА | Tа(1), мс |
| К2 (при отключенном ЭС2) | 15 | 200 | 10 | 200 |
| К4 (при отключенных Л2, ЭС2) | 10,4 | 47 | 6,7 | 44 |
| К1 (при отключенном Q4) | 15 | 31 | 10 | 28 |
А.6.2 Тестовая модель для проведения функциональных испытаний устройств релейной защиты и автоматики, реализующих функции релейной защиты ЛЭП 330 кВ и выше, подключенных к ТТ ЛЭП класса точности 5PR, 10PR, TPY, TPZ
А.6.2.1 Тестовая модель энергосистемы должна быть собрана в соответствии со схемой, приведенной на рисунке А.7.

ЭС1-ЭС2 — эквивалентные генераторы; ПС1-ПС2 — подстанции; Л1-Л2 — линии электропередачи; К1-К4 — места КЗ; ТН-1, ТН-2 — трансформаторы напряжения; ТТ-1-ТТ-2 — трансформаторы тока; Q1-Q4 — выключатели
Рисунок А.7 — Схема тестовой модели энергосистемы
А.6.2.2 Устройства РЗ должны подключаться: на ПС1 — к ТТ-1 и ТН-1; на ПС-2 — к ТТ-2 и ТН-2.
А.6.2.3 Параметры элементов тестовой модели энергосистемы должны соответствовать параметрам, приведенным в таблицах А.20, А.21.
Таблица А.20 — Параметры элементов тестовой схемы модели энергосистемы
| Параметр | Значение |
| Параметры эквивалентного генератора ЭС1 | |
| Напряжение, кВ | 500 |
| Сопротивление прямой последовательности, Ом | 0,306 + j28,870 |
| Сопротивление нулевой последовательности, Ом | 0,765 + j72,100 |
| Параметры эквивалентного генератора ЭС2 | |
| Номинальное напряжение, кВ | 500 |
| Сопротивление прямой последовательности, Ом | 0,241 + j22,700 |
| Сопротивление нулевой последовательности, Ом | 0,537 + j50,590 |
| Параметры линии Л1, Л2 | |
| Удельное сопротивление прямой последовательности, Ом/км | 0,03 + j0,307 |
| Удельное сопротивление нулевой последовательности, Ом/км | 0,178 + j1,079 |
| Емкостная проводимость прямой последовательности, мкСм/км | 3,73 |
| Емкостная проводимость нулевой последовательности, мкСм/км | 2,88 |
| Длина линии, км | 20 |
| Выключатели Q1-Q4 | |
| Сопротивление во включенном состоянии, Ом | 0,001 (или принять равным минимальному значению, которое может быть установлено в применяемом комплексе моделирования) |
Таблица А.21 — Параметры базовых трансформаторов тока
| Параметр | Значение |
| Номинальный первичный ток ТТ, А | 1000 |
| Номинальный вторичный ток ТТ, А | 1 |
| Сопротивление вторичной обмотки, Ом | 5 |
| Сопротивление нагрузки (на фазу), Ом | 5 |
| Площадь поперечного сечения, м2 | 0,000231 |
| Длина средней линии, м | 0,05 |
| Длина воздушного зазора, м | 0 |
| Характеристика намагничивания стали | |
| Магнитная индукция (В), Тл | 0; 0,50; 1,00; 1,50; 1,95, 1,955 |
| Напряженность поля (Н), А/м | 0; 9; 18; 30; 50; 100 |
А.6.2.4 ТН-1, ТН-2 должны быть представлены "идеальными" ТН с коэффициентом трансформации
А.6.2.5 ТТ-1, ТТ-2 представлены тестовыми ТТ с коэффициентами трансформации 1000/1, параметры которых рассчитывают для каждого режима в соответствии с методикой, приведенной в А.2.4. Параметры базового ТТ, на основе которых выполняют расчет параметров тестовых ТТ, приведены в таблице А.21.
А.6.2.6 Токи КЗ и постоянные времени апериодической составляющей тока в месте установки устройств РЗ для параметров тестовой схемы модели энергосистемы в соответствии с таблицей А.20 должны составлять значения, приведенные в таблице А.22.
Таблица А.22 — Значения токов КЗ и постоянных времени апериодической составляющей токов
| Точка КЗ | I(3), кА | Tа(3), мс | I(1), кА | Tа(1), мс |
| К1 (при отключенных Q3, ЭС2) | 8,9 | 123 | 5,29 | 85 |
| К1 (при отключенном Q4) | 10 | 109 | 6,67 | 72 |
| К2 (при отключенном ЭС2) | 10 | 300 | 6,67 | 300 |
| К4 (при отключенных Л2, ЭС2) | 8,4 | 130 | 5,4 | 90 |
А.6.3 Проведение испытаний
Испытание устройств РЗА, реализующих функции РЗ ЛЭП 110 кВ и выше, необходимо проводить в два этапа:
а) документальная проверка;
б) функциональные испытания на тестовой модели энергосистемы.
А.6.3.1 Документальная проверка
а) Для устройств РЗА, реализующих функции РЗ ЛЭП 110 кВ и выше, должна быть выполнена проверка технической документации производителя устройства РЗА на соответствие требованиям, приведенным в перечислениях а)-г) раздела 5.
б) Результат документальной проверки соответствия по технической документации должен быть приведен в протоколе проверки устройств РЗА, реализующих функции РЗ ЛЭП 110 кВ и выше. При оценке результата проверки в случае подтверждения соответствия требованиям в перечислениях а)-г) раздела 5 необходимо указывать пункты (разделы) проверенной документации, из содержания которых это соответствие подтверждается.
А.6.4 Функциональные испытания на тестовой модели энергосистемы
А.6.4.1 Испытания необходимо проводить для ТТ1), указанных в таблице А.23.
1)При наличии возможности подключения полукомплектов устройств РЗ ЛЭП 110 кВ и выше, в которых реализованы функции ДЗЛ, ДФЗ, НВЧЗ к ТТ разных классов точности 5P, 10P, 5PR, 10PR TPY, TPZ.
Таблица А.23 — Классы точности ТТ
| ТТ-1 | ТТ-2 | ||
| Класс точности | Критерий настройки ТТ | Класс точности | Критерий настройки ТТ |
| TPZ | εас1) =5,8% | TPZ | εас =2,9% |
| TPZ | εас =5,8% | TPY | ε =5% |
| TPZ | εас =5,8% | P | ε =1% |
| TPY | ε =10% | TPY | ε =5% |
| TPZ | ε =10% | P | ε =1% |
| PR | tРЗ | PR | tРЗ + 20 мс |
| PR | tРЗ | P | ε =1% |
| 1) Периодическая составляющая погрешности в переходном режиме. 2) Мгновенная погрешность в переходном режиме. | |||
А.6.4.2 При проведении испытаний необходимо варьировать значения постоянных времени апериодической составляющей токов КЗ эквивалентных источников энергосистем ЭС1, ЭС2: Tp, мс: 300; 100.
А.6.4.3 При проведении испытаний устройств РЗА, реализующих функции РЗ ЛЭП 110 кВ и выше, подключенных к ТТ ЛЭП, необходимо рассматривать КЗ в следующих точках:
К1 — внешнее КЗ вблизи шин ПС2 (минус 0% длины линии Л2);
К2 — внутреннее КЗ вблизи шин ПС1 (плюс 0% длины линии Л1);
К3.1 — КЗ в прямом направлении в конце зоны действия первой ступени ТНЗНП (удаленность КЗ выбирают так, чтобы при однофазном КЗ в этой точке ток нулевой последовательности в месте установки защиты составлял 1,1 тока срабатывания);
К3.2 — КЗ в прямом направлении в конце зоны действия первой ступени ДЗ (90% "охвата" первой ступени ДЗ);
К4 — КЗ в прямом направлении на расстоянии за пределами зоны действия первой ступени ДЗ (110% "охвата" первой ступени ДЗ).
А.6.4.4 Функциональные испытания устройств РЗА, реализующих функции ДЗ и ТНЗНП, подключенных к ТТ ЛЭП класса точности 5PR, 10PR, TPY, TPZ
а) Программа проведения функциональных испытаний устройств РЗА, реализующих функции ДЗ и ТНЗНП, приведена в таблице А.24.
б) Устройства РЗ должны быть подключены: цепи тока к ТТ-1; цепи напряжения — к ТН-1.
в) Функциональные испытания устройств РЗА, реализующих функции ДЗ и ТНЗНП ЛЭП 110-220 кВ, необходимо проводить на тестовой модели энергосистемы, созданной в соответствии с требованиями, указанными в А.6.1.
г) Функциональные испытания устройств РЗА, реализующих функции ДЗ и ТНЗНП ЛЭП 330 кВ и выше, необходимо проводить на тестовой модели энергосистемы, созданной в соответствии с требованиями, указанными в А.6.2.
А.6.4.5 Функциональные испытания устройств РЗА, реализующих функции ДЗЛ, подключенных к ТТ ЛЭП класса точности 5PR, 10PR, TPY, TPZ
а) Программа проведения функциональных испытаний устройств РЗА, реализующих функции ДЗЛ ЛЭП 110 кВ и выше, приведена в таблице А.24.
б) Устройства РЗ должны быть подключены к ТТ-1 и ТТ-2.
в) Функциональные испытания устройств РЗА, реализующих функции ДЗЛ ЛЭП 110-220 кВ, необходимо проводить на тестовой модели энергосистемы, созданной в соответствии с требованиями, указанными в А.6.1.
г) Функциональные испытания устройств РЗА, реализующих функции ДЗЛ ЛЭП 330 кВ и выше, необходимо проводить на тестовой модели энергосистемы, созданной в соответствии с требованиями, указанными в А.6.2.
А.6.4.6 Функциональные испытания устройств РЗА, реализующих функции ДФЗ, подключенных к ТТ ЛЭП класса точности 5PR, 10PR, TPY, TPZ
а) Программа проведения функциональных испытаний устройств РЗА, реализующих функции ДФЗ, приведена в таблице А.24.
б) Устройства РЗ должны быть подключены к ТТ-1 и ТТ-2.
в) Функциональные испытания устройств РЗА, реализующих функции ДФЗ ЛЭП 110-220 кВ, необходимо проводить на тестовой модели энергосистемы, созданной в соответствии с требованиями, указанными в А.6.1.
г) Функциональные испытания устройств РЗА, реализующих функции ДФЗ ЛЭП 330 кВ и выше, необходимо проводить на тестовой модели энергосистемы, созданной в соответствии с требованиями, указанными в А.6.2.
А.6.4.7 Функциональные испытания устройств РЗА, реализующих функции НВЧЗ ЛЭП 110-220 кВ, подключенных к ТТ ЛЭП класса точности 5PR, 10PR, TPY, TPZ
а) Устройства РЗ должны быть подключены к ТТ-1 и ТТ-2.
б) Программа проведения функциональных испытаний устройств РЗА, реализующих функции НВЧЗ, приведена в таблице А.24.
в) Функциональные испытания устройств РЗА, реализующих функции НВЧЗ, необходимо проводить на тестовой модели энергосистемы, созданной в соответствии с требованиями, указанными в А.6.1.
Таблица А.24 — Программа проведения функциональных испытаний быстродействующих защит ЛЭП 110 кВ и выше
| Цель испытаний | № испытания | Описание испытания | Исходная схема, режим, вид возмущения | Правильное действие устройств РЗ |
| 1 Проверка работы быстродействующих защит ЛЭП 110 кВ и выше при близком внутреннем КЗ (точка К2) с неуспешным ТАПВ/ОАПВ1) | ||||
| Проверка срабатывания быстродействующих защит ЛЭП 110 кВ и выше (при первом КЗ и при повторном включении на КЗ). Измерение времени срабатывания и возврата защиты. Проверка корректного определения поврежденной(ых) фазы (фаз) | 1.1 | Внутреннее КЗ (точка К2) с неуспешным ТАПВ/ОАПВ | Предшествующий повреждению режим: передача мощности отсутствует; Q3, Q4 отключены. Виды КЗ2): К(1), К(1,1), К(2), К(3). Переходное сопротивление в месте КЗ: 0,001 Ом. Последовательность моделирования режима: - предшествующий режим (не менее 1 с); - возникновение КЗ (время существования КЗ — 2 с); - отключение выключателей Q1, Q22) действием испытуемого устройства [одной поврежденной фазы — при К(1); трех фаз — при К(1,1), К(2), К(3)]; - включение выключателя Q1 на КЗ по истечении времени бестоковой паузы АПВ (0,8 с — при ОАПВ; 1,5 с — при ТАПВ); - отключение выключателя Q1 действием испытуемого устройства | Срабатывание быстродействующих защит ЛЭП 110 кВ и выше при первом и повторном КЗ со временем не более указанного в технической документации на устройство РЗ. Правильное определение поврежденной(ых) фазы (фаз) |
| 2 Проверка работы устройств ДЗ при КЗ в прямом направлении на расстоянии 90% "охвата" первой ступени ДЗ (точка КЗ.2) с неуспешным ТАПВ/ОАПВ | ||||
| Проверка срабатывания быстродействующих защит ЛЭП 110 кВ и выше (при первом КЗ и при повторном включении на КЗ): - при междуфазных КЗ: первой ступени ДЗ по контуру "фаза-фаза"; - при КЗ на землю: первой ступени ДЗ по контуру "фаза-земля". Измерение времени срабатывания и возврата защиты. Проверка корректного определения поврежденной(ых) фазы (фаз) | 2.1 | Внутреннее КЗ в прямом направлении на расстоянии 90% "охвата" первой ступени ДЗ (точка КЗ.2) с неуспешным ТАПВ/ОАПВ | Предшествующий повреждению режим: передача мощности отсутствует; Q3, Q4 отключены. Виды КЗ2): К(1), К(1,1), К(2), К(3). Переходное сопротивление в месте КЗ: 0,001 Ом. Последовательность моделирования режима: - предшествующий режим (не менее 1 с); - возникновение КЗ (время существования КЗ — 2 с); - отключение выключателей Q1, Q23) действием испытуемого устройства [одной поврежденной фазы — при К(1); трех фаз — при К(1,1), К(2), К(3)]; - включение выключателя Q1 на КЗ по истечении времени бестоковой паузы АПВ (0,8 с — при ОАПВ; 1,5 с — при ТАПВ); - отключение выключателя Q1 действием испытуемого устройства | Срабатывание быстродействующих защит ЛЭП 110 кВ и выше при первом и повторном КЗ с временем не более указанного в технической документации на устройство РЗ. Правильное определение поврежденной(ых) фазы (фаз) |
| 3 Проверка работы устройств ТНЗНП при КЗ в прямом направлении, сопровождающееся током, соответствующим 1,1 от тока срабатывания первой ступени ТНЗНП (точка К3.1), с неуспешным ТАПВ/ОАПВ1) | ||||
| Проверка срабатывания быстродействующих защит ЛЭП 110 кВ и выше (при первом КЗ и при повторном включении на КЗ) первой ступени ТНЗНП. Измерение времени срабатывания и возврата защиты. Проверка корректного определения поврежденной(ых) фазы (фаз) | 3.1 | КЗ в прямом направлении, сопровождающееся током, соответствующим 1,1 тока срабатывания первой ступени ТНЗНП (точка КЗ. 1), с неуспешным ТАПВ/ОАПВ | Предшествующий повреждению режим: передача мощности отсутствует; Q3, Q4 отключены. Виды КЗ2): К(1), К(1,1). Переходное сопротивление в месте КЗ: 0,001 Ом. Последовательность моделирования режима: - предшествующий режим (не менее 1 с); - возникновение КЗ (время существования КЗ — 2 с); - отключение выключателей Q1, Q23) действием испытуемого устройства [одной поврежденной фазы — при КС), трех фаз — при К(1,1), К(2), К(3)]; - включение выключателя Q1 на КЗ по истечении времени бестоковой паузы АПВ (0,8 с — при ОАПВ; 1,5 с — при ТАПВ); - отключение выключателя Q1 действием испытуемого устройства | Срабатывание быстродействующих защит ЛЭП 110 кВ и выше при первом и повторном КЗ с временем не более указанного в технической документации на устройство РЗ. Правильное определение поврежденной(ых) фазы (фаз) |
| 4 Проверка работы устройств ДЗ при КЗ в прямом направлении на расстоянии 110%-ного "охвата" первой ступени ДЗ (точка К4) с неуспешным ТАПВ/ОАПВ1) | ||||
| Проверка отсутствия срабатывания быстродействующих защит ЛЭП 110 кВ и выше | 4.1 | КЗ в прямом направлении на расстоянии 110%-ного "охвата" первой ступени ДЗ (точка К4) с неуспешным ТАПВ/ОАПВ | Предшествующий повреждению режим: передача мощности отсутствует; Q3, Q4 отключены. Виды КЗ2): К(1), К(1,1), К(2), К(3). Переходное сопротивление в месте КЗ: 0,001 Ом. Последовательность моделирования режима: - предшествующий режим (не менее 1 с); - возникновение КЗ (время существования КЗ — 2 с); - отключение выключателей Q1, Q2 через 100 мс от начала КЗ [одной поврежденной фазы — при К(1); трех фаз — при К(1,1), К(2), К(3)]; - включение выключателя Q1 на КЗ по истечении времени бестоковой паузы АПВ (0,8 с — при ОАПВ; 1,5 с — при ТАПВ); - отключение выключателя Q1 тремя фазами через 130 мс после включения на КЗ | Отсутствие срабатывания быстродействующих защит ЛЭП 110 кВ и выше при первом и повторном КЗ |
| 5 Проверка работы быстродействующих защит ЛЭП 110 кВ и выше при близких внешних КЗ (точка К1) с неуспешным ТАПВ/ОАПВ2) | ||||
| Проверка отсутствия срабатывания быстродействующих защит ЛЭП 110 кВ и выше | 5.1 | Близкие внешние КЗ (точка К1) с неуспешным ТАПВ/ОАПВ | Предшествующий повреждению режим: передача мощности отсутствует; Q4 отключен. Виды КЗ2): К(1), К(1,1), К(2), К(3). Переходное сопротивление в месте КЗ: 0,001 Ом. Последовательность моделирования режима: - предшествующий режим (не менее 1 с); - возникновение КЗ (время существования КЗ — 2 с); - отключение выключателя Q3 через 100 мс от начала КЗ [одной поврежденной фазы — при К(1); трех фаз — при К(1,1), К(2), К(3)]; - включение выключателя Q3 на КЗ по истечении времени бестоковой паузы АПВ (0,8 с — при ОАПВ; 1,5 с — при ТАПВ); - отключение выключателя Q3 тремя фазами через 100 мс после включения на КЗ | Отсутствие срабатывания быстродействующих защит ЛЭП 110 кВ и выше при первом и повторном КЗ |
| 6 Проверка работы быстродействующих защит ЛЭП 110 кВ и выше при переходе внешнего КЗ во внутреннее (точка К1 → точка К2) | ||||
| Проверка отсутствия срабатывания быстродействующих защит ЛЭП 110 кВ и выше при внешнем КЗ, проверка срабатывания защиты при возникновении внутреннего КЗ; измерение времени срабатывания и возврата защиты при внутреннем КЗ | 6.1 | По одной и той же фазе с насыщением ТТ при внешнем КЗ | Предшествующий повреждению режим: передача мощности отсутствует. Виды КЗ: К(1)ф1 → К(1)ф1. Время перехода повреждения во внутреннее: 30; 100 мс. Переходное сопротивление в месте КЗ: 0,001 Ом. Последовательность моделирования режима: - предшествующий режим (не менее 1 с); - возникновение внешнего КЗ в фазе 1; - возникновение внутреннего КЗ в фазе 1 (время существования КЗ — 0,5 с) через 30; 100 мс с одновременным исчезновением внешнего КЗ; - отключение выключателей Q1, Q23) действием испытуемого устройства (одной поврежденной фазы — при проведении испытаний быстродействующих защит ЛЭП 330 кВ и выше, трех фаз — при проведении испытаний быстродействующих защит ЛЭП 110-220 кВ); - включение выключателя Q1 на КЗ по истечении времени бестоковой паузы АПВ (0,8 с — при ОАПВ; 1,5 с — при ТАПВ); - отключение выключателя Q1 тремя фазами действием испытуемого устройства после включения на КЗ | Отсутствие срабатывания быстродействующих защит ЛЭП 110 кВ и выше при внешнем КЗ, срабатывание быстродействующих защит ЛЭП 110 кВ и выше при возникновении внутреннего КЗ с временем не более 60 мс. Правильное определение поврежденной фазы |
| Проверка отсутствия срабатывания быстродействующих защит ЛЭП 110 кВ и выше при внешнем КЗ, проверка срабатывания защиты при возникновении внутреннего КЗ; измерение времени срабатывания и возврата защиты при внутреннем КЗ | 6.2 | По другой фазе с насыщением ТТ при внутреннем КЗ | Предшествующий повреждению режим: передача мощности отсутствует. Виды КЗ: К(1)ф1 → К(1)ф2. Время перехода повреждения во внутреннее: 35; 105 мс. Переходное сопротивление в месте КЗ: 0,001 Ом. Последовательность моделирования режима: - предшествующий режим (не менее 1 с); - возникновение внешнего КЗ в фазе 1; - возникновение внутреннего КЗ в фазе 2 (время существования КЗ — 0,5 с) через 35; 105 мс с одновременным исчезновением внешнего КЗ; - отключение выключателей Q1, Q23) действием испытуемого устройства (одной поврежденной фазы — при проведении испытаний быстродействующих защит ЛЭП 330 кВ и выше, трех фаз — при проведении испытаний быстродействующих защит ЛЭП 110-220 кВ); - включение выключателя Q1 на КЗ по истечении времени бестоковой паузы АПВ (0,8 с — при ОАПВ; 1,5 с — при ТАПВ); - отключение выключателя Q1 тремя фазами действием испытуемого устройства после включения на КЗ | Отсутствие срабатывания быстродействующих защит ЛЭП 110 кВ и выше при внешнем КЗ, срабатывание быстродействующих защит ЛЭП 110 кВ и выше при возникновении внутреннего КЗ с временем не более 60 мс. Правильное определение поврежденной фазы |
| 7 Проверка работы быстродействующих защит ЛЭП 110 кВ и выше при развивающихся внешних КЗ (точка К1) с преобладанием в токе апериодической составляющей | ||||
| Проверка отсутствия срабатывания быстродействующих защит ЛЭП 110 кВ и выше. При моделировании сопротивление прямой последовательности ЭС1 увеличивается в десять раз по сравнению с базовым значением, сопротивление нулевой последовательности остается равным базовому | 7.1 | Развивающиеся внешние КЗ (точка К1) с преобладанием в токе апериодической составляющей | Предшествующий повреждению режим: передача мощности отсутствует; Q3 отключен. Виды КЗ: К(1) → К(3) через 30 мс. Переходное сопротивление в месте КЗ: 0,001 Ом. Последовательность моделирования режима: - предшествующий режим (не менее 1 с); - возникновение КЗ (время существования КЗ — 2 с); - отключение трех фаз выключателя Q4 через 130 мс от начала КЗ | Отсутствие срабатывания быстродействующих защит ЛЭП 110 кВ и выше при КЗ |
| Примечание — Символом "→" показан переход одного вида КЗ в другой. 1) Только при проведении испытаний быстродействующих защит ЛЭП 330 кВ и выше. 2) При К(1) необходимо рассматривать разное сочетание замкнувшихся фаз: К(1)ф1, К(1)ф2, К(1)ф3; при К(1,1) — разное сочетание замкнувшихся фаз: К(1,1)ф1,ф2, К(1,1)ф2,ф3, К(1,1)ф3,ф1; при К(2) — разное сочетание замкнувшихся фаз: К(2)ф1,ф2, К(2)ф2,ф3, К(2)ф3,ф1. 3) При испытании ДЗ и ТНЗНП отключение Q2 должно быть осуществлено принудительно через 0,1 с после возникновения КЗ. | ||||
А.7 Методика проведения функциональных испытаний устройств релейной защиты и автоматики, реализующих функции релейной защиты ЛЭП 110 кВ и выше, подключенных на сумму ТТ класса точности 5PR, 10PR, TPY, TPZ
А.7.1 Тестовая модель для проведения функциональных испытаний устройств релейной защиты и автоматики, реализующих функции релейной защиты ЛЭП 110-220 кВ, подключенных на сумму ТТ класса точности 5PR, 10PR, TPY, TPZ
А.7.1.1 Тестовая модель энергосистемы должна быть собрана в соответствии со схемой, приведенной на рисунке А.8.

К — место КЗ; Л — линия электропередачи; ТН — трансформатор напряжения; ЭС — эквивалентный генератор; Q — выключатель; ЭС1-ЭС5 — эквивалентные генераторы; Л1-Л2 — линии электропередачи; К1-К3 — места КЗ; ТН-1, ТН-2 — трансформаторы напряжения; ТТ-1-ТТ-3 — трансформаторы тока; Q1-Q8 — выключатели
Рисунок А.8 — Схема тестовой модели энергосистемы
А.7.1.2 Параметры элементов тестовой модели энергосистемы должны соответствовать параметрам, приведенным в таблицах А.25, А.26.
Таблица А.25 - Параметры тестовой схемы модели энергосистемы
| Параметр | Значение |
| Параметры эквивалентных генераторов ЭС1 и ЭС2 | |
| Напряжение, кВ | 220 |
| Сопротивление прямой последовательности, Ом | 0,2 + j12,7 |
| Сопротивление нулевой последовательности, Ом | 0,3 + j14,1 |
| Параметры эквивалентных генераторов ЭС3 и ЭС4 | |
| Напряжение, кВ | 220 |
| Сопротивление прямой последовательности, Ом | 0,27 + j8,5 |
| Сопротивление нулевой последовательности, Ом | 0,27 + j8,5 |
| Параметры эквивалентного генератора ЭС5 | |
| Напряжение, кВ | 220 |
| Сопротивление прямой последовательности, Ом | 1,6 + j25,2 |
| Сопротивление нулевой последовательности, Ом | 2,0 + j27,8 |
| Параметры линий электропередачи | |
| Удельное сопротивление прямой последовательности, Ом/км | 0,079 + j0,416 |
| Удельное сопротивление нулевой последовательности, Ом/км | 0,24 + j1,25 |
| Длина линии, км | 80 |
| Выключатели Q1-Q7 | |
| Сопротивление при включенном состоянии, Ом | 0,001 (или принять равным минимальному значению, устанавливаемому в комплексе моделирования) |
Таблица А.26 — Параметры базовых трансформаторов тока ТТ-1, ТТ-2
| Параметр | Значение |
| Номинальный первичный ток ТТ, А | 2000 |
| Номинальный вторичный ток ТТ, А | 1 |
| Сопротивление вторичной обмотки, Ом | 5 |
| Сопротивление нагрузки (на фазу), Ом | 5 |
| Площадь поперечного сечения, м2 | 0,00025 |
| Длина средней линии, м | 0,055 |
| Длина воздушного зазора, м | 0 |
| Характеристика намагничивания стали | |
| Магнитная индукция (В), Тл | 0; 0,500; 1,000; 1,500; 1,950; 1,955 |
| Напряженность поля (Н), А/м | 0; 9; 18; 30; 50; 100 |
А.7.1.3 ТН-1, ТН-2 должны быть представлены "идеальными" ТН с коэффициентом трансформации 220 кВ/100 В.
А.7.1.4 ТТ-1, ТТ-2 представлены тестовыми ТТ c коэффициентами трансформации 2000/1, параметры которых рассчитывают для каждого режима в соответствии с методикой, приведенной в А.2.4. Параметры базового ТТ, на основе которых выполняют расчет параметров тестовых ТТ, приведены в таблице А.26. ТТ-3 представлен "идеальным" ТТ с коэффициентом трансформации 2000/1. А.7.1.5 Токи КЗ и постоянные времени апериодической составляющей тока всех присоединений для параметров тестовой схемы модели энергосистемы в соответствии с данными таблицы А.25 должны соответствовать значениям, приведенным в таблице А.27.
Таблица А.27 — Значения токов КЗ на шинах (К1) и постоянных времени апериодической составляющей токов
| Присоединение | I(3), кА | Tа(3), мс | I(1), кА | Tа(1), мс |
| ЭС1 | 10,00 | 200 | 9,60 | 180 |
| ЭС2 | 10,00 | 200 | 9,60 | 180 |
| Л1 | 3,0 | 20 | 2,30 | 20 |
| Л2 | 3,0 | 20 | 2,30 | 20 |
| ЭС5 | 5,0 | 50 | 4,86 | 48 |
| Суммарные значения | 31 | - | 28,66 | - |
А.7.2 Тестовая модель для проведения функциональных испытаний устройств релейной защиты и автоматики, реализующих функции релейной защиты ЛЭП 330 кВ и выше, подключенных на сумму ТТ класса точности 5PR, 10PR, TPY, TPZ
А.7.2.1 Тестовая модель энергосистемы должна быть собрана в соответствии со схемой, приведенной на рисунке А.9.

ЭС1-ЭС6 — эквивалентные генераторы; Л1-Л2 — линии электропередачи; К1-К3 — места КЗ; ТН-1, ТН-2 — трансформаторы напряжения; ТТ-1-ТТ-3 — трансформаторы тока; Т1-Т2 — силовые трансформаторы; Г1-Г4 — генераторы; Q1-Q15 — выключатели; QS1-QS2 — секционные выключатели
Рисунок А.9 — Схема тестовой модели энергосистемы
А.7.2.2 Параметры элементов тестовой модели энергосистемы должны соответствовать параметрам, приведенным в таблицах А.28, А.29.
Таблица А.28 — Параметры тестовой схемы модели энергосистемы
| Параметр | Значение |
| Параметры эквивалентных генераторов ЭС1 и ЭС2 | |
| Напряжение, кВ | 500 |
| Сопротивление прямой последовательности, Ом | 0,39 + j40,25 |
| Сопротивление нулевой последовательности, Ом | 0,12 + j11,64 |
| Параметры эквивалентных генераторов ЭС3 и ЭС4 | |
| Напряжение, кВ | 500 |
| Сопротивление прямой последовательности, Ом | 5,08 + j79,84 |
| Сопротивление нулевой последовательности, Ом | 16,74 + j131,44 |
| Параметры эквивалентных генераторов ЭС5 и ЭС6 | |
| Напряжение, кВ | 500 |
| Сопротивление прямой последовательности, Ом | 0,15 + j17,42 |
| Сопротивление нулевой последовательности, Ом | 0,15 + j17,42 |
| Параметры линий электропередачи | |
| Удельное сопротивление прямой последовательности, Ом/км | 0,03 + j0,307 |
| Удельное сопротивление нулевой последовательности, Ом/км | 0,178 + j1,079 |
| Емкостная проводимость прямой последовательности, мкСм/км | 3,73 |
| Емкостная проводимость нулевой последовательности, мкСм/км | 2,88 |
| Протяженность линии, км | 400 |
| Параметры силовых трансформаторов Т1 и Т2 | |
| Напряжение ВН/НН1-НН2, кВ | 525/15,75-15,75 |
| Схема соединения обмоток трансформатора | Y / Δ – Δ |
| Сопротивление обмотки ВН, Ом (приведено к стороне ВН) | 0,17 + j4,31 |
| Сопротивление обмотки НН, Ом (приведено к стороне НН) | 0,000149 + j0,034000 |
| Параметры генераторов Г1-Г4 | |
| Напряжение, кВ | 15,75 |
| Сопротивление, Ом (приведено к стороне генераторного напряжения) | 9,6e-4 + j0,103 |
| Выключатели Q1-Q15 | |
| Сопротивление при включенном состоянии, Ом | 0,001 (или принять равным минимальному значению, которое может быть установлено в применяемом комплексе моделирования) |
Таблица А.29 — Параметры трансформаторов тока ТТ-1, ТТ-2
| Параметр | Значение |
| Номинальный первичный ток ТТ, А | 2000 |
| Номинальный вторичный ток ТТ, А | 1 |
| Сопротивление вторичной обмотки, Ом | 5 |
| Сопротивление нагрузки (на фазу), Ом | 5 |
| Площадь поперечного сечения, м2 | 3,7e-4 |
| Длина средней линии, м | 0,1 |
| Длина воздушного зазора, м | 0 |
| Характеристика намагничивания стали | |
| Магнитная индукция (В), Тл | 0; 0,50; 1,00; 1,00; 1,95; 1,955 |
| Напряженность поля (Н), А/м | 0; 9; 18; 30; 50; 100 |
А.7.2.3 ТН-1, ТН-2 должны быть представлены "идеальными" ТН с коэффициентом трансформации 
А.7.2.4 ТТ-1, ТТ-2 представлены тестовыми ТТ c коэффициентами трансформации 2000/1, параметры которых рассчитывают для каждого режима в соответствии с методикой, приведенной в А.2.4. Параметры базового ТТ, на основе которых выполняют расчет параметров тестовых ТТ, приведены в таблице А.29. ТТ-3 представлен "идеальным" ТТ с коэффициентом трансформации 2000/1.
А.7.2.5 Испытания необходимо проводить для ТТ1), указанных в таблице А.23.
1) При наличии возможности подключения быстродействующих защит ЛЭП 110 кВ и выше к ТТ разных классов точности P, PR, TPY, TPZ в цепях выключателей при включении данного устройства РЗ по схеме с внутренним суммированием токов.
А.7.2.6 Токи КЗ и постоянные времени апериодической составляющей тока всех присоединений для параметров тестовой схемы модели энергосистемы в соответствии с данными таблицы А.28 должны соответствовать значениям, приведенным в таблице А.30.
Таблица А.30 — Значения токов КЗ на шинах (К1) и постоянных времени апериодической составляющей токов
| Присоединение | I(3), кА | Tа(3), мс | I(1), кА | Tа(1), мс |
| Т1 | 3,76 | 330 | 5,31 | 300 |
| Т2 | 3,76 | 330 | 5,31 | 300 |
| ЭС1 | 7,53 | 330 | 10,65 | 300 |
| ЭС2 | 7,53 | 330 | 10,65 | 300 |
| ЭС3 | 3,61 | 53 | 3,35 | 50 |
| ЭС4 | 3,61 | 53 | 3,35 | 50 |
| Л1 | 2,12 | 40 | 1,87 | 40 |
| Л2 | 2,12 | 40 | 1,87 | 40 |
| Суммарные значения | 34 | - | 42,2 | - |
А.7.2.7 При проведении испытаний устройств РЗА, реализующих функции РЗ ЛЭП 110 кВ и выше, подключенных на сумму ТТ, необходимо рассматривать КЗ в следующих точках:
К1 — внешнее ("сквозное") КЗ на шинах РУ;
К2 — близкое внутреннее КЗ вблизи шин РУ (0% длины линии Л2);
К3 — внешнее КЗ на ошиновке РУ (на присоединении Т2).
А.7.3 Функциональные испытания на тестовой модели энергосистемы
А.7.3.1 Функциональные испытания устройств РЗА, реализующих функции ДЗ и ТНЗНП
а) Программа проведения функциональных испытаний устройств РЗА, реализующих функции ДЗ и ТНЗНП, приведена в таблице А.31.
б) Быстродействующие защиты ЛЭП 110 кВ и выше должны быть подключены: цепи тока к ТТ-1 и ТТ-2; цепи напряжения — к ТН-1.
в) Функциональные испытания устройств РЗА, реализующих функции ДЗ и ТНЗНП ЛЭП 110-220 кВ, необходимо проводить на тестовой модели энергосистемы, созданной в соответствии с требованиями, указанными в А.7.1.
г) Функциональные испытания устройств РЗА, реализующих функции ДЗ и ТНЗНП ЛЭП 330 кВ и выше, необходимо проводить на тестовой модели энергосистемы, созданной в соответствии с требованиями, указанными в А.7.2.
А.7.3.2 Функциональные испытания устройств РЗА, реализующих функции ДЗЛ
а) Программа проведения функциональных испытаний устройств РЗА, реализующих функции ДЗЛ ЛЭП, приведена в таблице А.31.
б) Быстродействующие защиты ЛЭП 110 кВ и выше должны подключаться к ТТ-1, ТТ-2 и ТТ-3.
в) Функциональные испытания устройств РЗА, реализующих функции ДЗЛ ЛЭП 110-220 кВ, необходимо проводить на тестовой модели энергосистемы, созданной в соответствии с требованиями, указанными в А.7.1.
г) Функциональные испытания устройств РЗА, реализующих функции ДЗЛ ЛЭП 110-220 кВ, необходимо проводить на тестовой модели энергосистемы, созданной в соответствии с требованиями, указанными в А.7.2.
А.7.3.3 Функциональные испытания устройств РЗА, реализующих функции ДФЗ
а) Программа проведения функциональных испытаний устройств РЗА, реализующих функции ДФЗ, приведена в таблице А.31.
б) Быстродействующие защиты ЛЭП 110 кВ и выше должны быть подключены к ТТ-1, ТТ-2 и ТТ-3.
в) Функциональные испытания устройств РЗА, реализующих функции ДФЗ ЛЭП 110-220 кВ, необходимо проводить на тестовой модели энергосистемы, созданной в соответствии с требованиями, указанными в А.7.1.
г) Функциональные испытания устройств РЗА, реализующих функции ДФЗ ЛЭП 330 кВ и выше, необходимо проводить на тестовой модели энергосистемы, созданной в соответствии с требованиями, указанными в А.7.2.
А.7.3.4 Функциональные испытания устройств РЗА, реализующих функции НВЧЗ ЛЭП 110-220 кВ
а) Программа проведения функциональных испытаний устройств РЗА, реализующих функции НВЧЗ, приведена в таблице А.31.
б) Быстродействующие защиты ЛЭП 110 кВ и выше должны быть подключены к ТТ-1, ТТ-2 и ТТ-3.
в) Функциональные испытания устройств РЗА, реализующих функции НВЧЗ ЛЭП 110-220 кВ, необходимо проводить на тестовой модели энергосистемы, созданной в соответствии с требованиями, указанными в А.7.1.
Таблица А.31 — Программа проведения функциональных испытаний быстродействующих защит ЛЭП 110 кВ и выше
| Цель испытаний | № испытания | Описание испытания | Исходная схема, режим, вид возмущения | Правильное действие устройств РЗ |
| 1 Проверка работы быстродействующих защит ЛЭП 110 кВ и выше при близких внешних ("за спиной") К3 (точка К1) | ||||
| Проверка отсутствия срабатывания быстродействующих защит ЛЭП 110 кВ и выше | 1.1 | Близкие внешние ("за спиной") КЗ (точка К1) | Схема распределительного устройства: а) для быстродействующих защит ЛЭП 110-220 кВ: ремонтная схема, соответствующая максимальному значению тока сквозного КЗ (выключатель Q1 отключен); б) для быстродействующих защит ЛЭП 330 кВ и выше: 1) ремонтная схема, соответствующая максимальному току сквозного КЗ (выключатели Q1, Q7, Q10 отключены), 2) ремонтная схема, соответствующая максимальному току сквозного КЗ при отсутствии питания с противоположного конца линии (выключатели Q1, Q7, Q10, Q14 отключены), 3) ремонтная схема, в которой ТТ обтекаются током КЗ от блока "генератор-трансформатор" (Т2-Г3, Г4) с большой постоянной времени затухания апериодической составляющей (выключатель Q6 отключен), 4) ремонтная схема, в которой ТТ обтекаются током КЗ от блока "генератор-трансформатор" (Т2-Г3, Г4) с большой постоянной времени затухания апериодической составляющей при отсутствии питания с противоположного конца линии (выключатели Q6, Q14 отключены). Виды КЗ1): К(1), К(1,1), К(2), К(3). Переходное сопротивление в месте КЗ: 0,001 Ом. Последовательность моделирования режима: - предшествующий режим (не менее 1 с); - возникновение КЗ (время существования КЗ — 2 с); - отключение выключателей поврежденного элемента через 100 мс от начала КЗ | Отсутствие срабатывания быстродействующих защит ЛЭП 110 кВ и выше |
| 2 Проверка работы быстродействующих защит ЛЭП 110 кВ и выше при переходе внешнего КЗ во внутреннее с успешным ТАПВ/ОАПВ1) (точка КЗ → точка К2) | ||||
| Проверка отсутствия срабатывания быстродействующих защит ЛЭП 110 кВ и выше при внешнем КЗ, проверка срабатывания быстродействующих защит ЛЭП 110 кВ и выше при возникновении внутреннего КЗ; измерение времени срабатывания и возврата быстродействующих защит ЛЭП 110 кВ и выше при внутреннем КЗ | 2.1 | По одной фазе с насыщением ТТ при внешнем КЗ | Схема распределительного устройства: - для быстродействующих защит ЛЭП 110-220 кВ: ремонтная схема (выключатель Q7 отключен); - для быстродействующих защит ЛЭП 330 кВ и выше: ремонтная схема (секционные выключатели QS1, QS2, Q14 отключены). Виды КЗ: К(1)ф1 → К(1,1)ф1. Время перехода повреждения во внутреннее: 30, 100 мс. Переходное сопротивление в месте КЗ: 0,001 Ом. Последовательность моделирования режима: - предшествующий режим (не менее 1 с); - возникновение внешнего КЗ в фазе 1; - возникновение внутреннего КЗ в фазе 1 (время существования КЗ — 0,5 с) через 30; 100 мс с одновременным исчезновением внешнего КЗ; - отключение выключателей Q4, Q5 действием испытуемого устройства (одной поврежденной фазы — при проведении испытаний быстродействующих защит ЛЭП 330 кВ и выше; трех фаз — при проведении испытаний быстродействующих защит ЛЭП 110-220 кВ); - включение выключателей Q4 или Q5 на КЗ по истечении времени бестоковой паузы АПВ (0,8 с — при ОАПВ; 1,5 с — при ТАПВ); - отключение выключателя Q4 или Q5 тремя фазами действием испытуемого устройства после включения на КЗ | Отсутствие срабатывания быстродействующих защит ЛЭП 110 кВ и выше при внешнем КЗ, срабатывание быстродействующих защит ЛЭП 110 кВ и выше при возникновении внутреннего КЗ со временем не более 60 мс. Правильное определение поврежденной фазы |
| Проверка отсутствия срабатывания быстродействующих защит ЛЭП 110 кВ и выше при внешнем КЗ, проверка срабатывания быстродействующих защит ЛЭП 110 кВ и выше при возникновении внутреннего КЗ; измерение времени срабатывания и возврата быстродействующих защит ЛЭП 110 кВ и выше при внутреннем КЗ | 2.2 | По другой фазе с насыщением ТТ при внутреннем КЗ | Схема распределительного устройства: - для быстродействующих защит ЛЭП 110-220 кВ: ремонтная схема (выключатель Q7 отключен); - для быстродействующих защит ЛЭП 330 кВ и выше: ремонтная (секционные выключатели QS1, QS2, Q14 отключены). Виды КЗ: К(1)ф1 → К(1,1)ф1. Время перехода повреждения во внутреннее: 35; 105 мс. Переходное сопротивление в месте КЗ: 0,001 Ом. Последовательность режима моделирования: - предшествующий режим (не менее 1 с); - возникновение внешнего КЗ в фазе 1; - возникновение внутреннего КЗ в фазе 1 (время существования КЗ — 0,5 с) через 35; 105 мс с одновременным исчезновением внешнего КЗ; - отключение одной поврежденной фазы выключателей Q4, Q5 действием испытуемого устройства (одной поврежденной фазы — при проведении испытаний быстродействующих защит ЛЭП 330 кВ и выше; трех фаз — при проведении испытаний устройств РЗ ЛЭП 110-220 кВ); - включение выключателей Q4 или Q5 на КЗ по истечении времени бестоковой паузы АПВ (0,8 с — при ОАПВ; 1,5 с — при ТАПВ); - отключение выключателя Q4 или Q5 тремя фазами действием испытуемого устройства после включения на КЗ | Отсутствие срабатывания быстродействующих защит ЛЭП 110 кВ и выше при внешнем КЗ, срабатывание быстродействующих защит ЛЭП 110 кВ и выше при возникновении внутреннего КЗ со временем не более 60 мс. Правильное определение поврежденной фазы |
| Примечание — Символом "→" показан переход одного вида КЗ в другой. 1) При К(1) необходимо рассматривать разное сочетание замкнувшихся фаз: К(1)ф1, К(1)ф2, К(1)ф3; при К(1,1) — разное сочетание замкнувшихся фаз: К(1,1)ф1,ф2, К(1,1)ф2,ф3, К(1,1)ф3,ф1; при К(2) — разное сочетание замкнувшихся фаз: К(2)ф1,ф2, К(2)ф2,ф3, К(2)ф3,ф1. | ||||
Библиография
[1] Правила технологического функционирования электроэнергетических систем (утверждены постановлением Правительства Российской Федерации от 13 августа 2018 г. № 937)
[2] Требования к оснащению линий электропередачи и оборудования объектов электроэнергетики классом напряжения 110 кВ и выше устройствами и комплексами релейной защиты и автоматики, а также к принципам функционирования устройств и комплексов релейной защиты и автоматики (утверждены приказом Минэнерго России от 13 февраля 2019 г. № 101)
[3] МЭК 60255-24:2013* Измерительные реле и устройства защиты. Часть 24. Общий формат для обмена данными переходных процессов (COMTRADE) для энергосистем [Measuring relays and protection equipment - Part 24: Common format for transient data exchange (COMTRADE) for power systems]